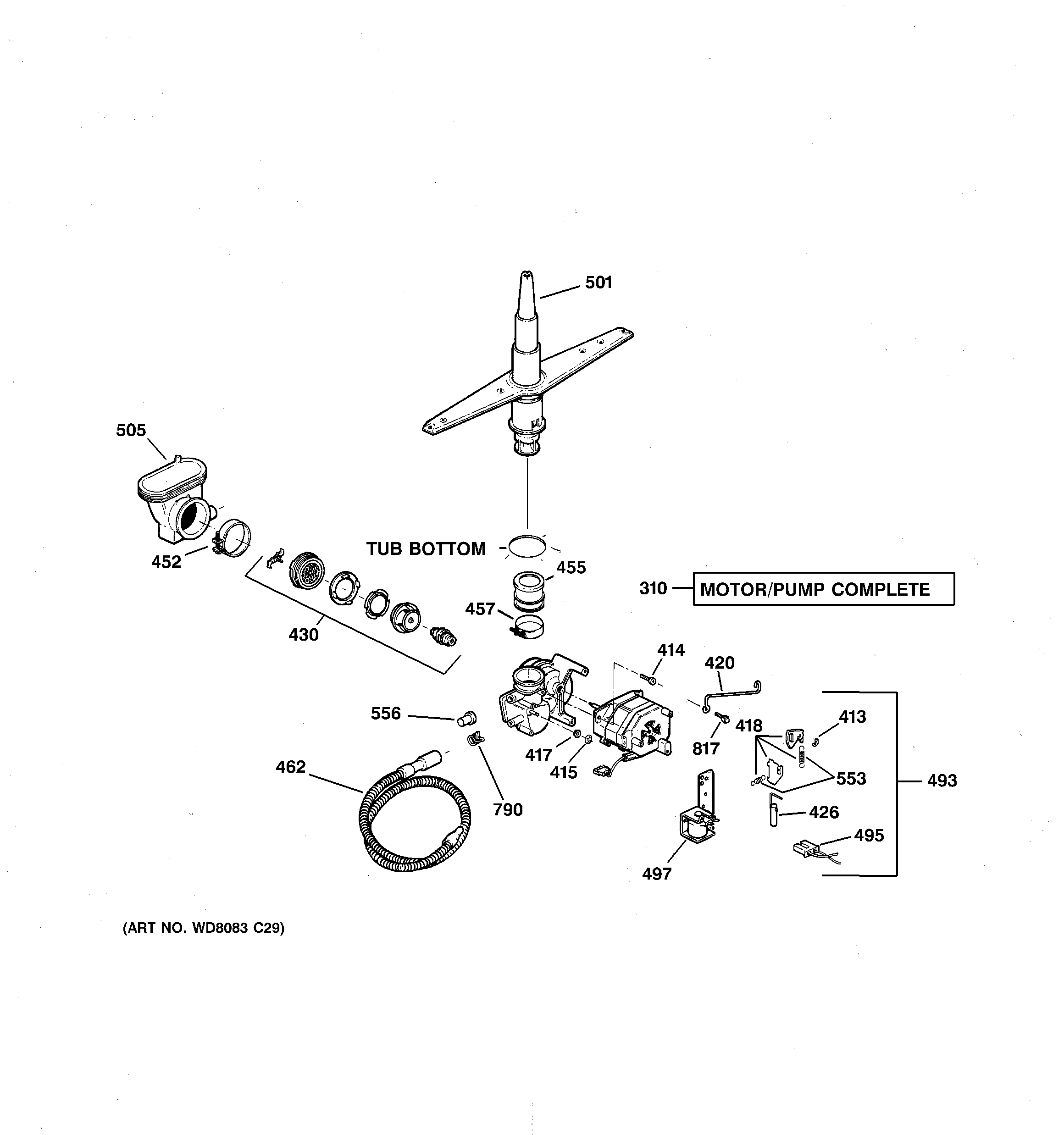
GSD2000J01WW MOTOR-PUMP MECHANISMadmin2025-04-26T08:43:19+00:00GSD2000J01WW MOTOR-PUMP MECHANISM ProductsPositionProduct310WD26X10013 GE Dishwasher Motor and Pump Assembly413WD3X487D GE Dishwasher Retainer Package414WD2X444 GE Dishwasher Mechanical Screw415WR2X7054 GE Refrigerator Push-On Nut417WD8X181 GE Dishwasher Pump Gasket418GEN WD35X0192420GEN WD01X1482426ARMATURE&LNK430KIT IMPELLER ASM452WD1X1392 GE Dishwasher Sump Clamp455WD18X214 GE Dishwasher Pump to Wash Arm Rubber Connector457WD1X1376 GE Dishwasher Clamp462WD24X10014 GE Dishwasher Drain Hose495WD21X10356 GE Dishwasher Housing SPECIAL-Drain Solen497WD21X10060 GE Dishwasher Drain Solenoid Kit and Bracket501WD22X154 GE Dishwasher Wash Arm Assembly505WD18X213 GE Dishwasher Inlet Sump Housing553WD3X721 GE Dishwasher Spring Set556GEN WD01X5405790WD01X10065 GE Dishwasher Hose Clamp790WH1X2036 GE UNIX Clamp817WD1X550 GE Dishwasher Screw817WD02X10141 GE Dishwasher Screw 10-32 TT Hex