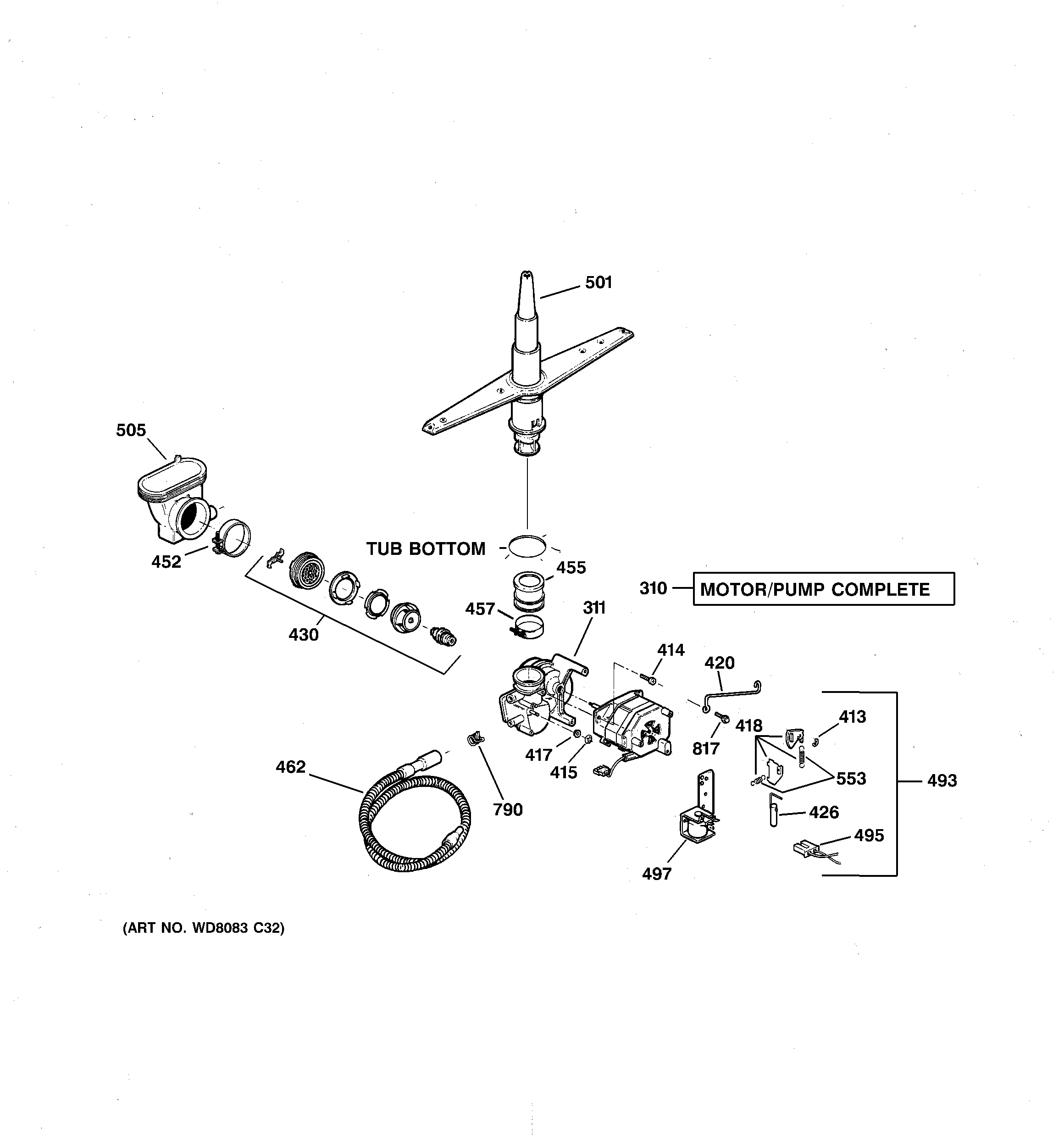
GSD2001J04WW MOTOR-PUMP MECHANISM