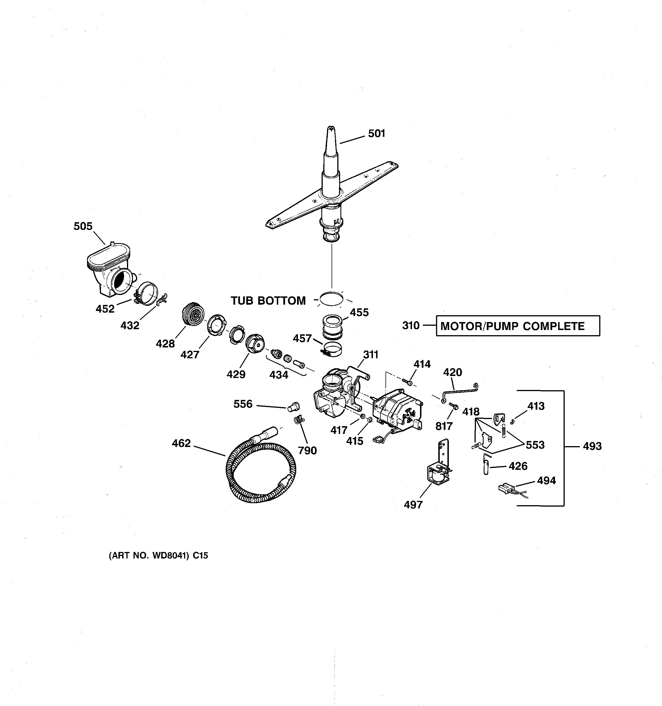
GSD2020F03BB MOTOR-PUMP MECHANISMadmin2025-04-26T08:42:51+00:00GSD2020F03BB MOTOR-PUMP MECHANISM ProductsPositionProduct310WD26X10013 GE Dishwasher Motor and Pump Assembly311WD19X10020 GE Dishwasher Pump Housing413WD3X487D GE Dishwasher Retainer Package414WD2X444 GE Dishwasher Mechanical Screw415WR2X7054 GE Refrigerator Push-On Nut417WD8X181 GE Dishwasher Pump Gasket418GEN WD35X0192420GEN WD01X1482426ARMATURE&LNK427GEN WD12X0354428GEN WD12X10018429KIT IMPELLER ASM432GEN WD01X10087434GEN WD19X10002452WD1X1392 GE Dishwasher Sump Clamp455WD18X214 GE Dishwasher Pump to Wash Arm Rubber Connector457WD1X1376 GE Dishwasher Clamp462WD24X10014 GE Dishwasher Drain Hose493WD21X10060 GE Dishwasher Drain Solenoid Kit and Bracket494WD1X1459 GE Dishwasher Insulation Housing501WD22X154 GE Dishwasher Wash Arm Assembly505WD18X213 GE Dishwasher Inlet Sump Housing553WD3X721 GE Dishwasher Spring Set556GEN WD01X5405790WH1X2036 GE UNIX Clamp790WD01X10065 GE Dishwasher Hose Clamp817WD02X10141 GE Dishwasher Screw 10-32 TT Hex817WD1X550 GE Dishwasher Screw