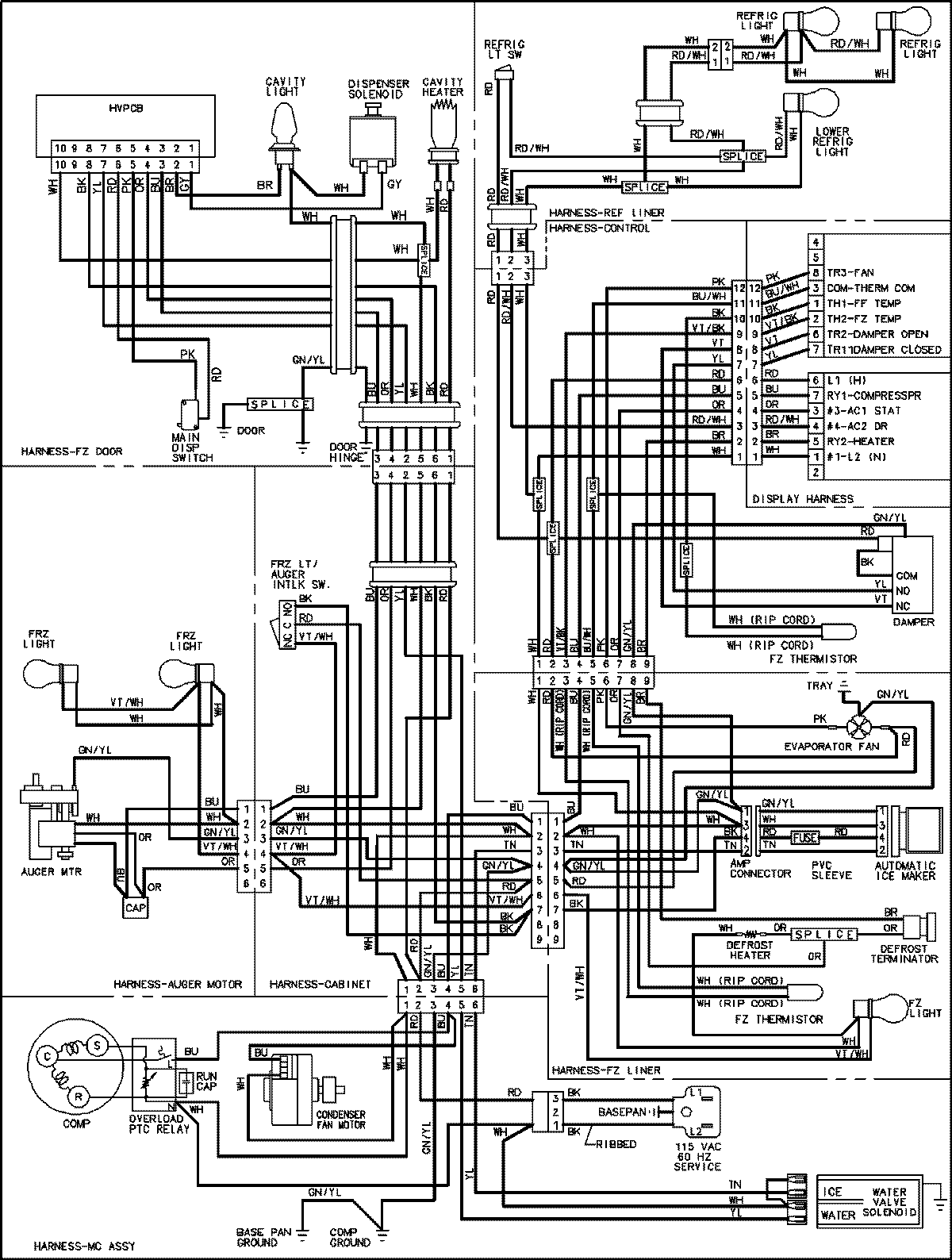
GSD2657HEB 18 – WIRING INFORMATION

GSD2657HEB 18 – WIRING INFORMATION

Products

PositionProduct
NIMAY 15003598