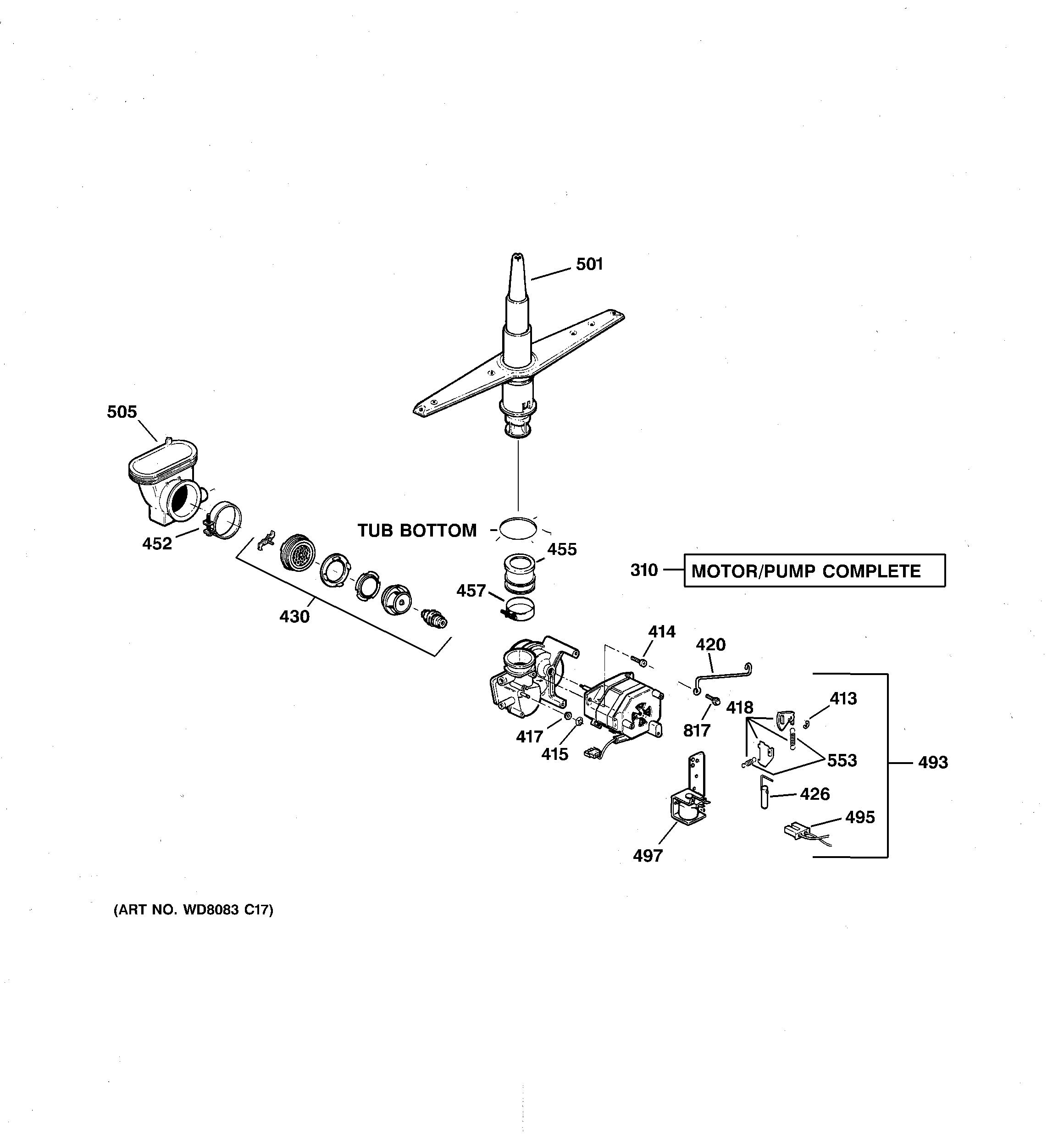
GSD3200J00CC MOTOR-PUMP MECHANISM