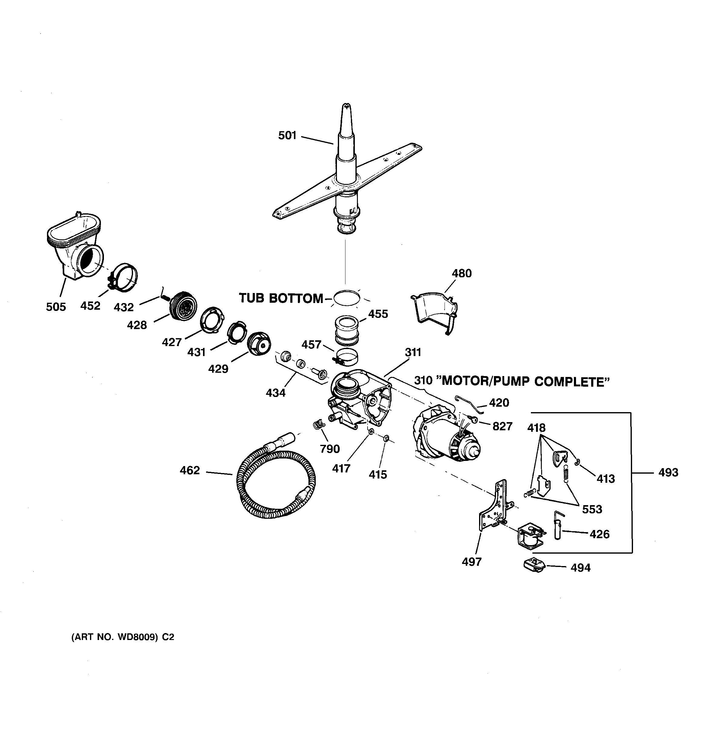
GSD3620Z01BB MOTOR-PUMP MECHANISM