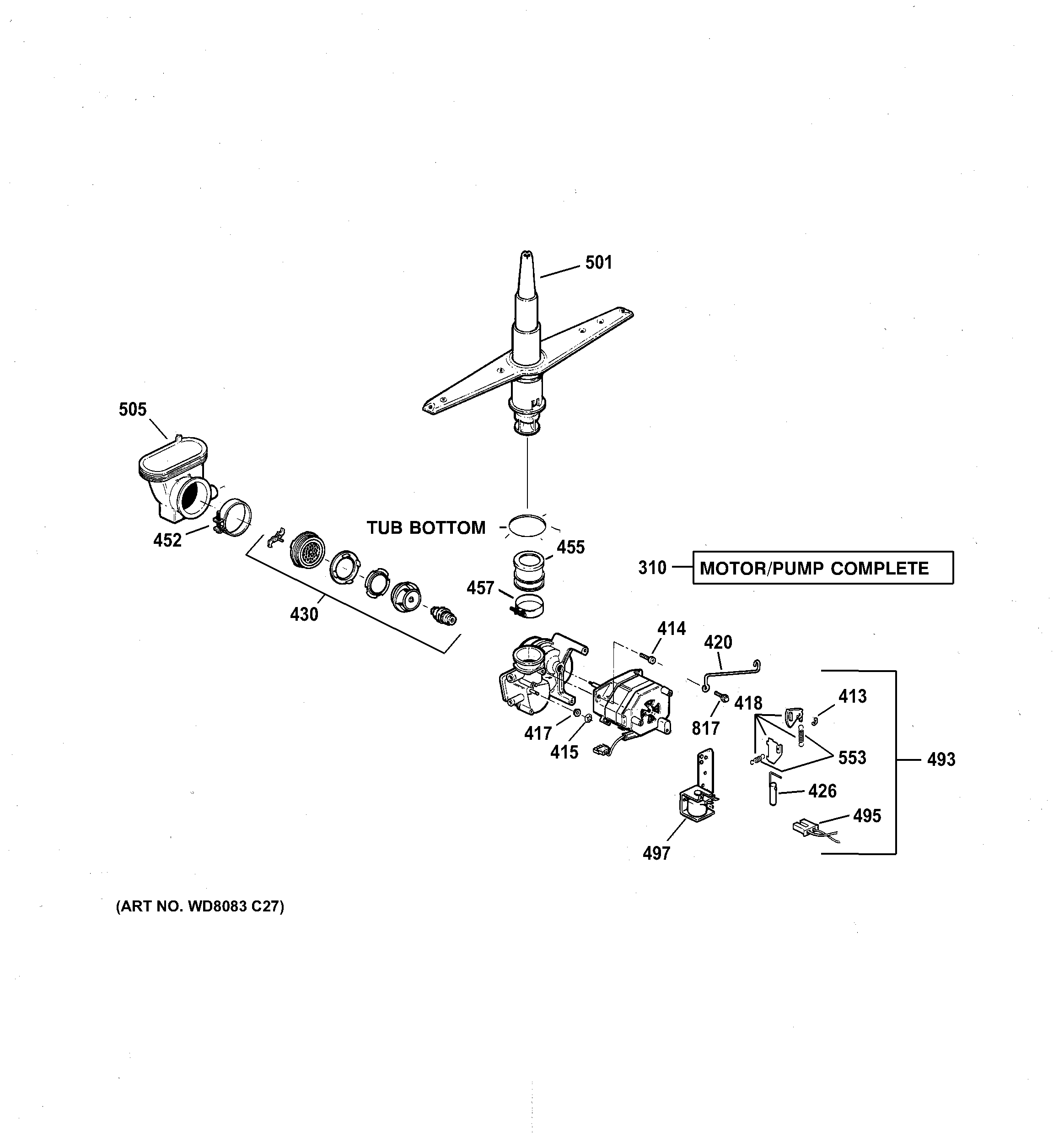
GSD3900L00BB MOTOR-PUMP MECHANISM