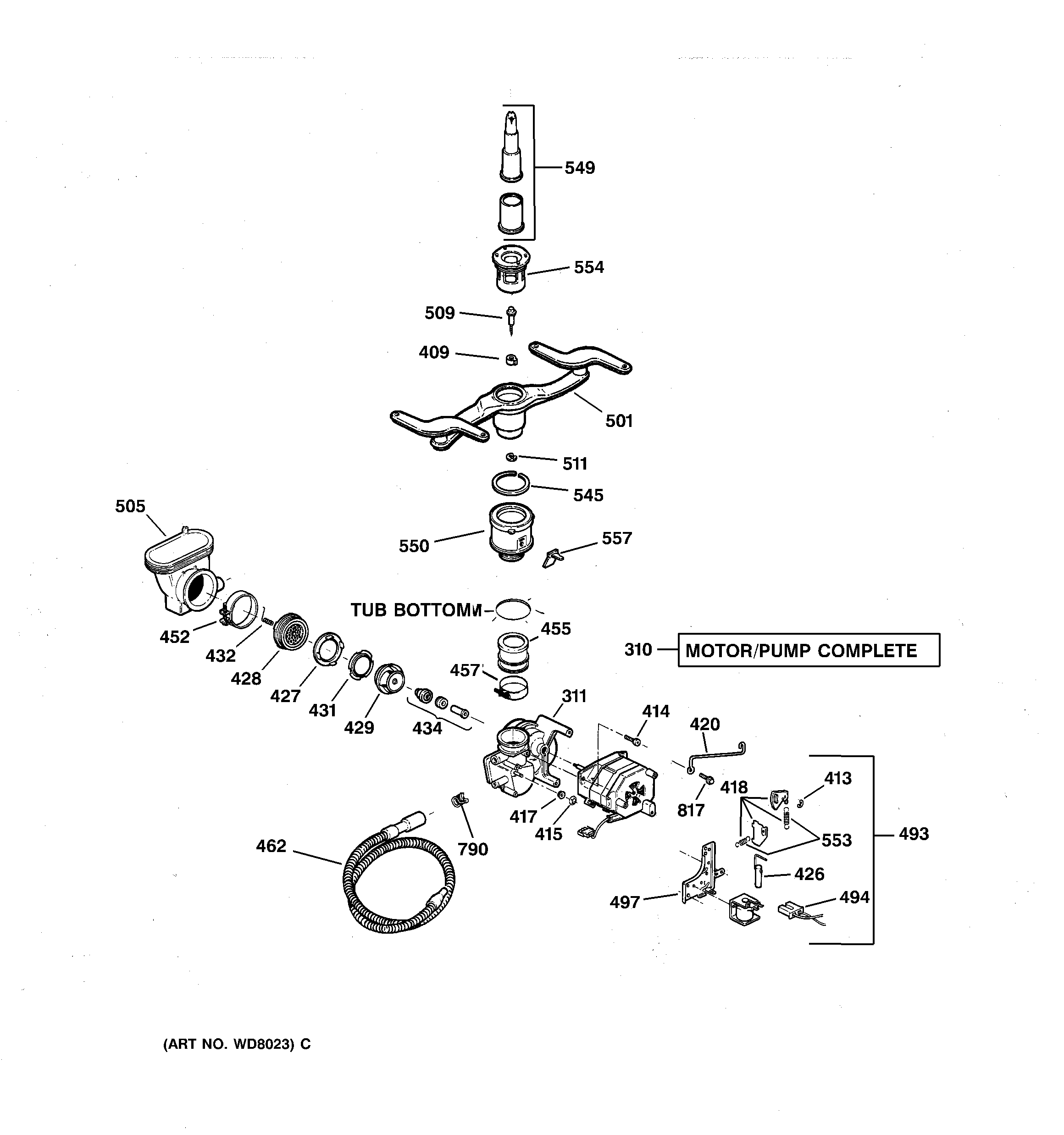
GSD4010Y72AA MOTOR-PUMP MECHANISM