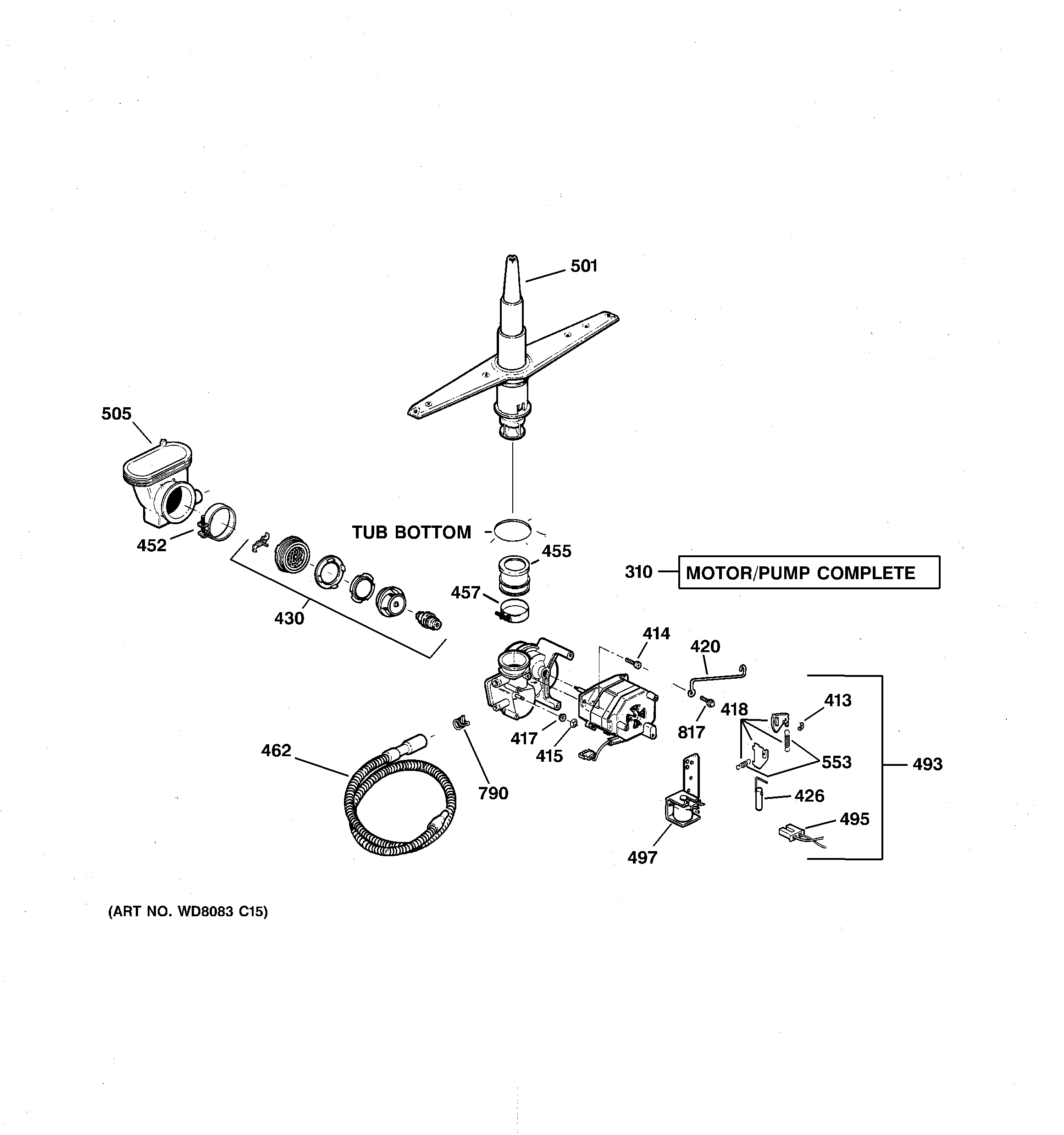
GSD4100J00CC MOTOR-PUMP MECHANISM