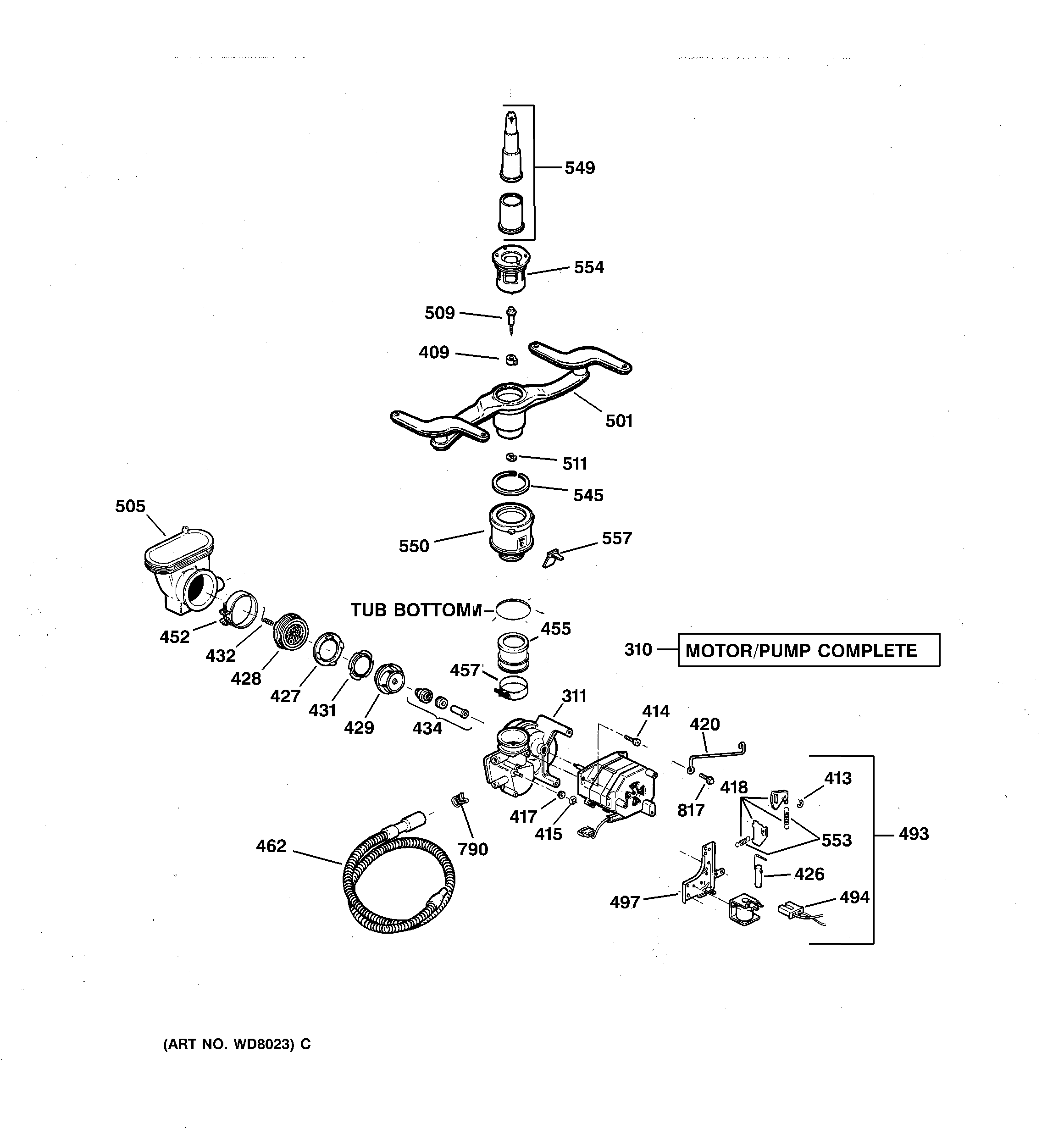
GSD4110Y72AA MOTOR-PUMP MECHANISMadmin2025-04-26T12:51:01+00:00GSD4110Y72AA MOTOR-PUMP MECHANISM ProductsPositionProduct310WD26X10013 GE Dishwasher Motor and Pump Assembly311GEN WD19X0057409GEN WD03X0766413WD3X487D GE Dishwasher Retainer Package414WD2X444 GE Dishwasher Mechanical Screw415WR2X7054 GE Refrigerator Push-On Nut417WD8X181 GE Dishwasher Pump Gasket418GEN WD35X0192420GEN WD01X1482426ARMATURE&LNK427GEN WD12X0354428GEN WD12X0378429GEN WD19X0060431GEN WD01X1341432GEN WD01X1487434GEN WD19X0058452WD1X1392 GE Dishwasher Sump Clamp455WD18X214 GE Dishwasher Pump to Wash Arm Rubber Connector457WD1X1376 GE Dishwasher Clamp462WD24X10014 GE Dishwasher Drain Hose493WD21X802 GE Dishwasher Drain Solenoid494WD1X1459 GE Dishwasher Insulation Housing497GEN WD01X1439501WD22X155 GE Dishwasher Spray Arm with Hub & Tower505WD18X213 GE Dishwasher Inlet Sump Housing509GEN WD02X0439511WD2X438 GE Dishwasher E-Ring549WD22X154 GE Dishwasher Wash Arm Assembly553WD3X721 GE Dishwasher Spring Set554WD35X10011 GE Dishwasher Spray Arm Assembly557CHECK VALVE790WH1X2036 GE UNIX Clamp817WD02X10141 GE Dishwasher Screw 10-32 TT Hex