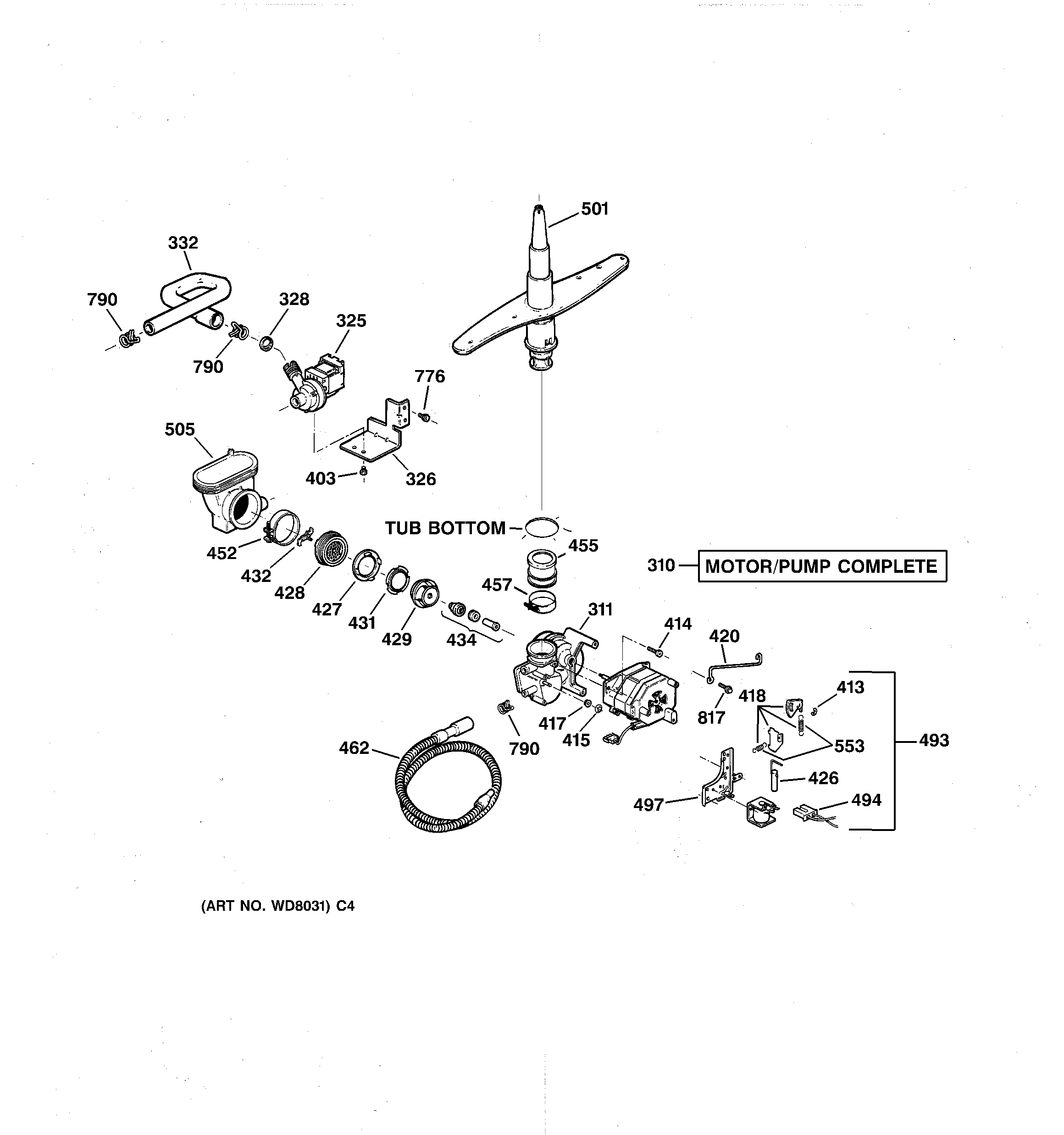
GSD4310Z00AA MOTOR-PUMP MECHANISMadmin2025-04-26T12:51:45+00:00GSD4310Z00AA MOTOR-PUMP MECHANISM ProductsPositionProduct310WD26X10013 GE Dishwasher Motor and Pump Assembly311GEN WD19X10013325WD19X59 GE Dishwasher Dual Pump326GEN WD01X1485328GEN WD01X1486332GEN WD24X0223403GEN WD02X0446413WD3X487D GE Dishwasher Retainer Package414WD2X444 GE Dishwasher Mechanical Screw415WR2X7054 GE Refrigerator Push-On Nut417WD8X181 GE Dishwasher Pump Gasket418GEN WD35X0192420GEN WD01X1482426ARMATURE&LNK427GEN WD12X0354428GEN WD12X10018429GEN WD19X10014431GEN WD01X1341432GEN WD01X10018434GEN WD19X10002452WD1X1392 GE Dishwasher Sump Clamp455WD18X214 GE Dishwasher Pump to Wash Arm Rubber Connector457WD1X1376 GE Dishwasher Clamp462WD24X10014 GE Dishwasher Drain Hose493WD21X802 GE Dishwasher Drain Solenoid494WD1X1459 GE Dishwasher Insulation Housing497GEN WD01X1439501WD22X10008 GE Dishwasher Lower Spray Arm Assembly505GEN WD18X0215553WD3X721 GE Dishwasher Spring Set776GEN WZ05X0222790WH1X2036 GE UNIX Clamp817WD1X550 GE Dishwasher Screw