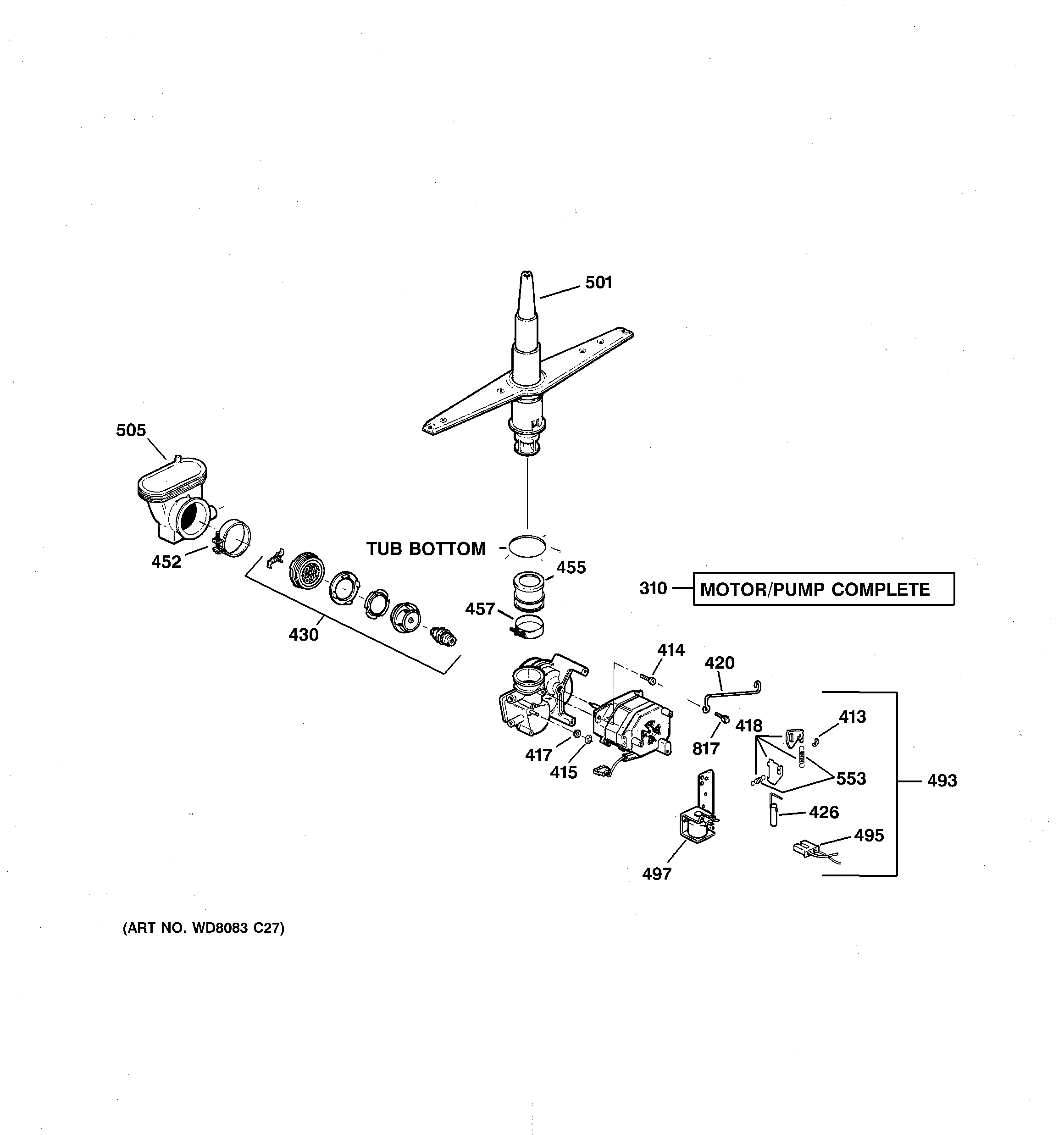
GSD4360L03SS MOTOR-PUMP MECHANISMadmin2025-04-26T12:53:51+00:00GSD4360L03SS MOTOR-PUMP MECHANISM ProductsPositionProduct310WD26X10013 GE Dishwasher Motor and Pump Assembly413WD3X487D GE Dishwasher Retainer Package414WD2X444 GE Dishwasher Mechanical Screw415WR2X7054 GE Refrigerator Push-On Nut417WD8X181 GE Dishwasher Pump Gasket418GEN WD35X0192420GEN WD01X1482426ARMATURE&LNK430KIT IMPELLER ASM452WD1X1392 GE Dishwasher Sump Clamp455WD18X214 GE Dishwasher Pump to Wash Arm Rubber Connector457WD1X1376 GE Dishwasher Clamp493GEN WD12X10057495WD21X10355 GE Dishwasher Water Valve Housing Special497WD21X10060 GE Dishwasher Drain Solenoid Kit and Bracket501WD22X155 GE Dishwasher Spray Arm with Hub & Tower505WD18X213 GE Dishwasher Inlet Sump Housing553WD3X721 GE Dishwasher Spring Set817WD1X550 GE Dishwasher Screw817WD02X10141 GE Dishwasher Screw 10-32 TT Hex