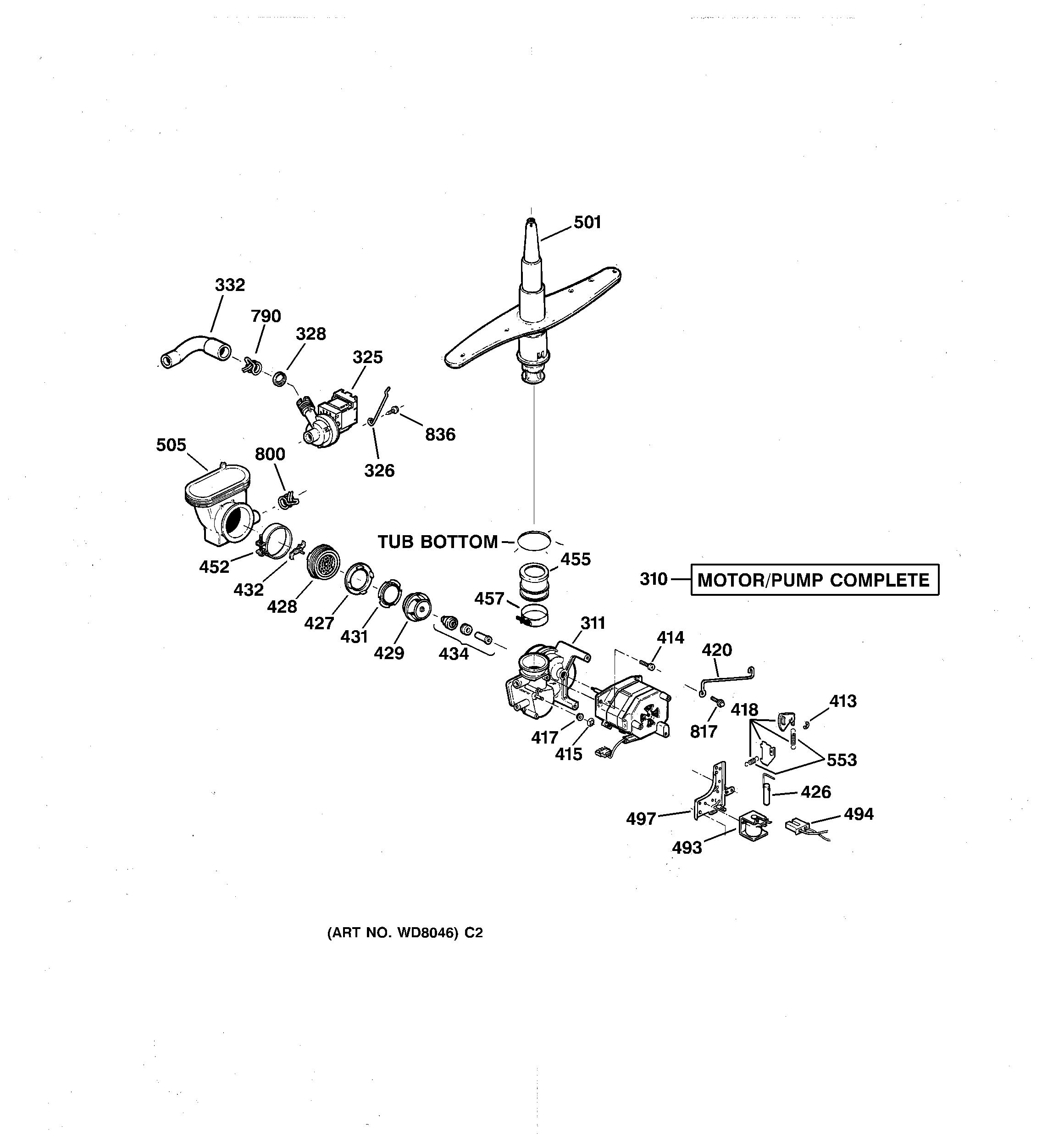
GSD4910Z02AA MOTOR-PUMP MECHANISM