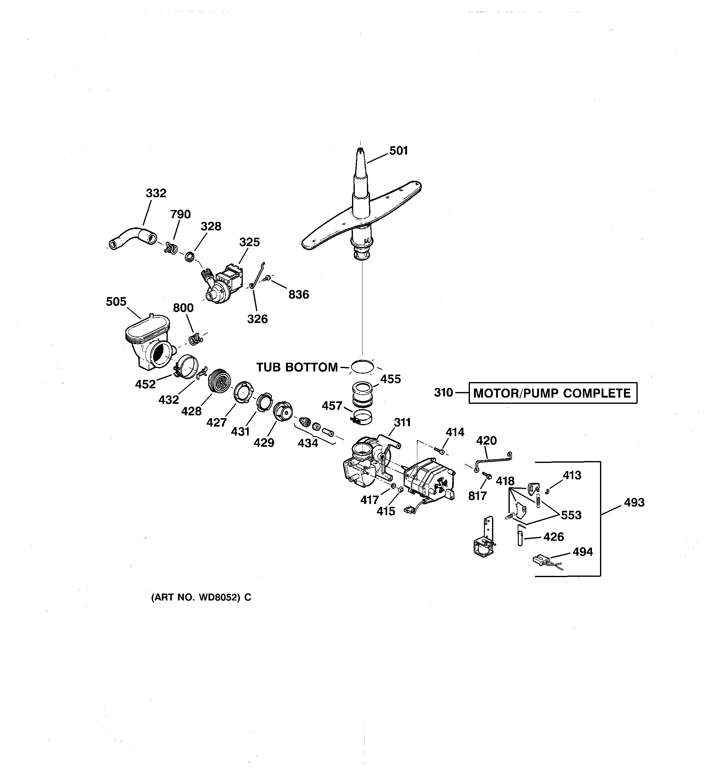
GSD4920Z04BB MOTOR-PUMP MECHANISMadmin2025-04-26T12:52:27+00:00GSD4920Z04BB MOTOR-PUMP MECHANISM ProductsPositionProduct310WD26X10013 GE Dishwasher Motor and Pump Assembly311GEN WD19X10013325GEN WD19X10015326GEN WD01X10024332GEN WD24X10006413WD3X487D GE Dishwasher Retainer Package414WD2X444 GE Dishwasher Mechanical Screw415WR2X7054 GE Refrigerator Push-On Nut417WD8X181 GE Dishwasher Pump Gasket418GEN WD35X0192420GEN WD01X1482426ARMATURE&LNK427GEN WD12X0354428GEN WD12X10018429GEN WD19X10014431GEN WD01X1341432GEN WD01X10018434GEN WD19X10002452WD1X1392 GE Dishwasher Sump Clamp455WD18X214 GE Dishwasher Pump to Wash Arm Rubber Connector457WD1X1376 GE Dishwasher Clamp493WD21X10060 GE Dishwasher Drain Solenoid Kit and Bracket494WD1X1459 GE Dishwasher Insulation Housing501WD22X10008 GE Dishwasher Lower Spray Arm Assembly505GEN WD18X0215553WD3X721 GE Dishwasher Spring Set790WH1X2036 GE UNIX Clamp800GEN WD01X1497817WD1X550 GE Dishwasher Screw817WD02X10141 GE Dishwasher Screw 10-32 TT Hex836WH02X10002 GE Screw