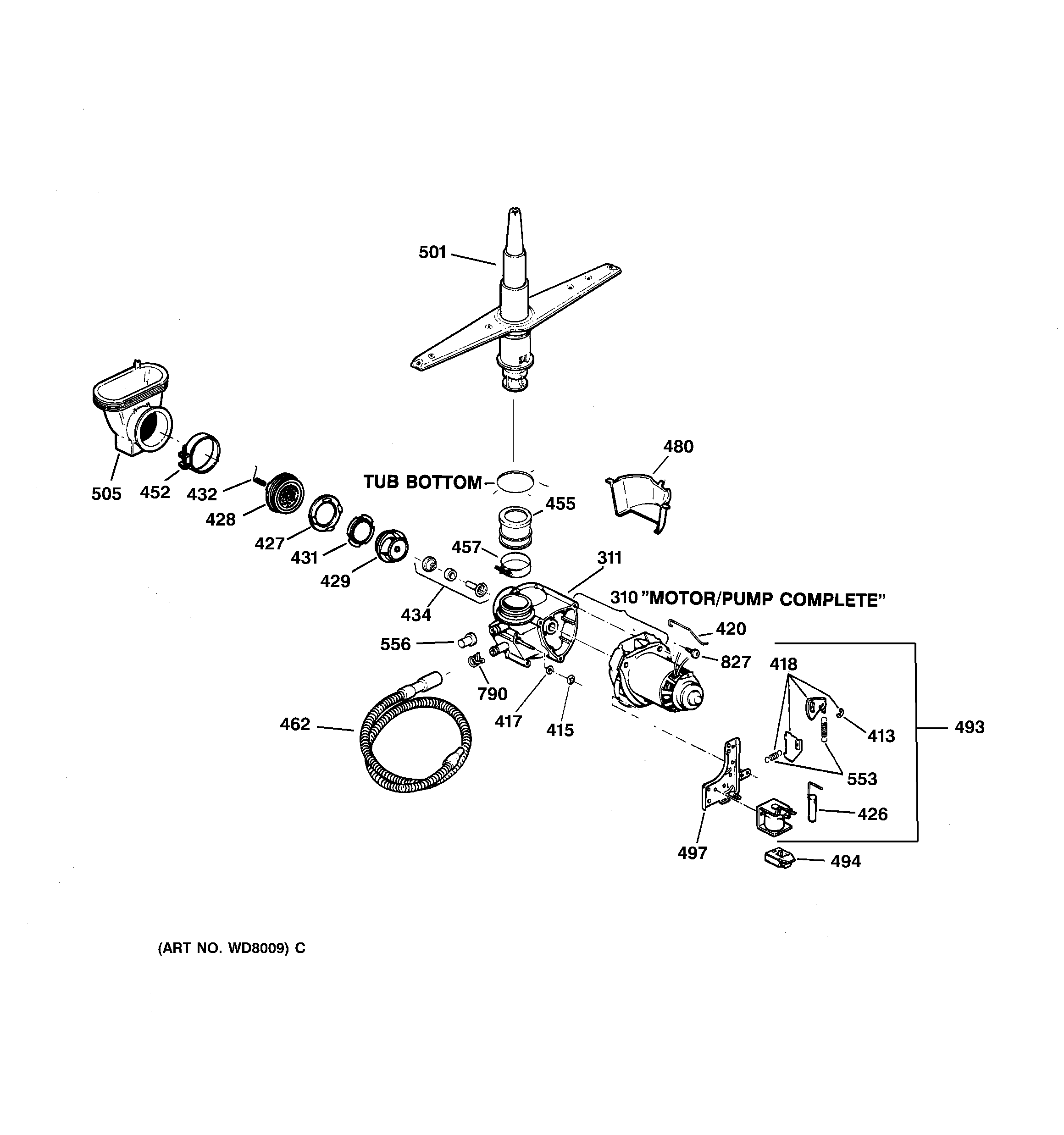
GSD500X-72BA MOTOR-PUMP MECHANISM