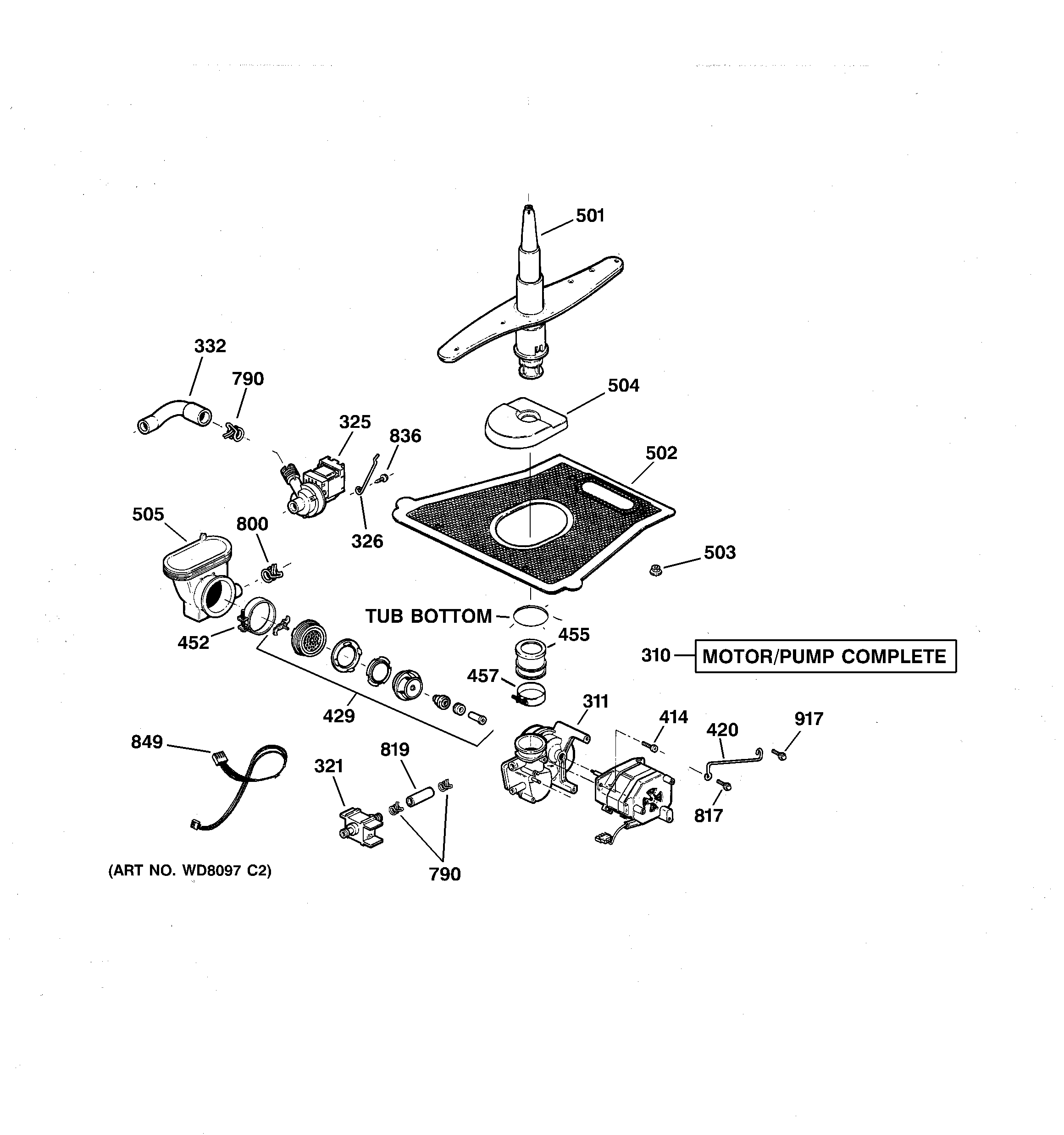
GSD5600G01CC MOTOR-PUMP MECHANISM