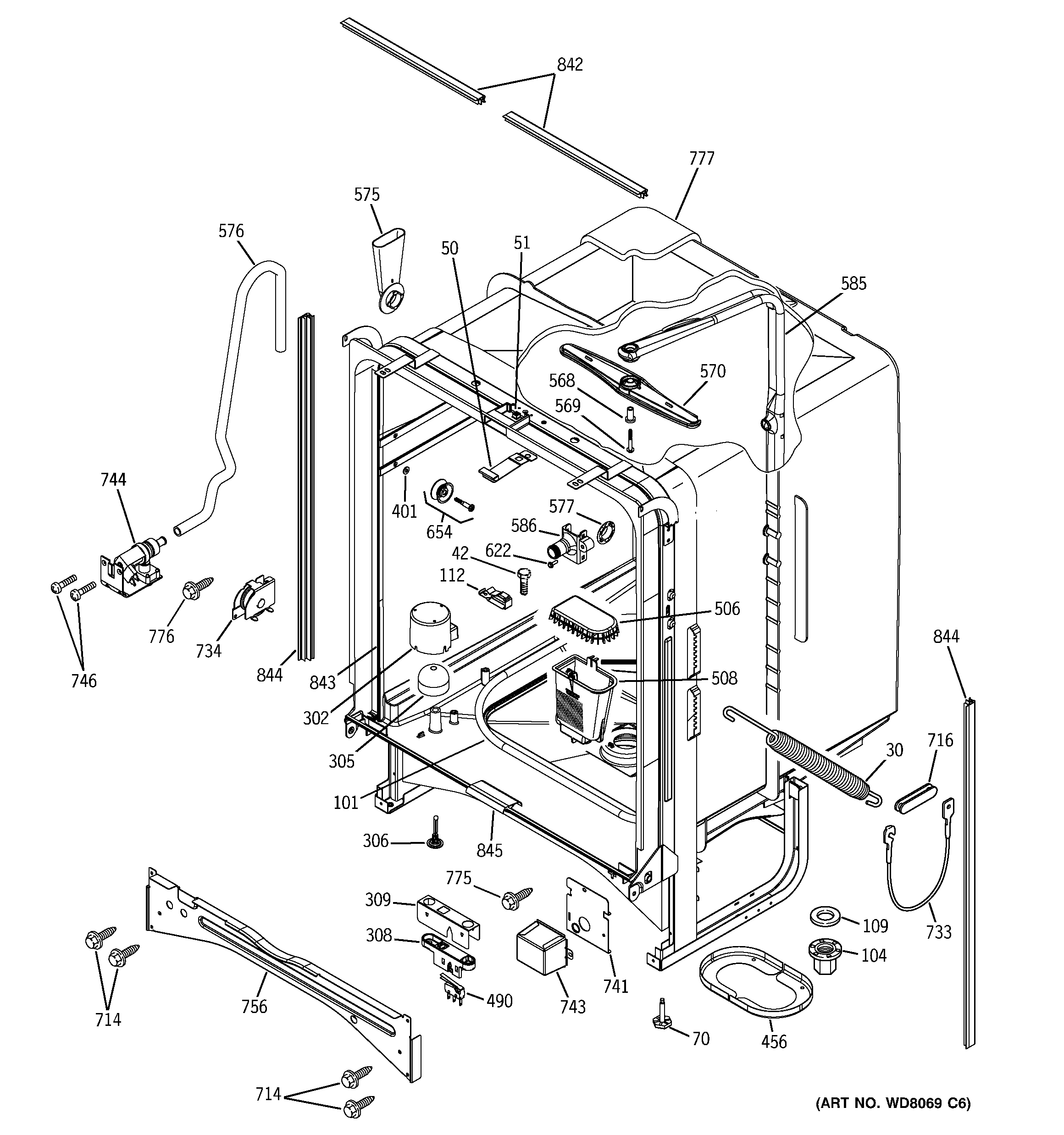
| 30 | GEN WD03X10014 |
| 42 | WD02X22736 GE Dishwasher Stainless Steel SCR10 16 AB HXW 3/4 |
| 50 | GEN WD13X10006 |
| 51 | WD02X10066 GE Dishwasher Screw 10-24 x 1/2 TT TRR S |
| 70 | WD2X320 GE Dishwasher Leveling Leg |
| 101 | GEN WD05X10005 |
| 104 | GEN WD01X10097 |
| 109 | GEN WD01X10094 |
| 112 | GEN WD01X10098 |
| 302 | WD12X10051 GE Dishwasher Float Dome C02 |
| 305 | WD12X10047 GE Dishwasher Float |
| 306 | WD12X10048 GE Dishwasher Float Stem Assembly |
| 308 | GEN WD12X10043 |
| 309 | GEN WD12X10058 |
| 401 | WD3X767 GE Dishwasher Washer |
| 456 | GEN WD01X10106 |
| 490 | GEN WD21X10119 |
| 506 | WD22X10077 GE Dishwasher Sump and Cover Filter Assembly |
| 568 | WD01X10410 GE Dishwasher Spray Arm Bearing Assembly |
| 569 | GEN WD02X10068 |
| 570 | GEN WD22X10027 |
| 575 | GEN WD12X10056 |
| 576 | GEN WD24X10019 |
| 577 | WD08X10020 GE Dishwasher Fill Funnel Gasket |
| 585 | GEN WD12X10057 |
| 586 | GEN WD12X10059 |
| 622 | WD02X10067 GE Dishwasher Stainless Steel Screw 8-16 HXW |
| 654 | WD12X332 GE Dishwasher Rack Roller |
| 714 | WD02X10160 GE Screw |
| 716 | WD14X10009 GE Dishwasher Hinge Link Arm |
| 733 | GEN WD01X10099 |
| 734 | GEN WD16X10009 |
| 741 | GEN WD12X10055 |
| 743 | WD12X448 GE Dishwasher Junction Box |
| 744 | WD15X10003 GE Dishwasher Water Inlet Valve |
| 746 | WD2X248 GE Dishwasher Screw |
| 756 | BRACE TOEKICK BK |
| 775 | WD2X5166 GE Dishwasher Screw |
| 776 | GEN WZ05X0222 |
| 777 | WD30X28658 GE Dishwasher Tub Insulation Blanket |
| 842 | GEN WD08X10021 |
| 843 | GASKET TUB |
| 844 | GEN WD08X10022 |
| 845 | WD08X10075 GE Dishwasher Bottom Door Gasket Seal |