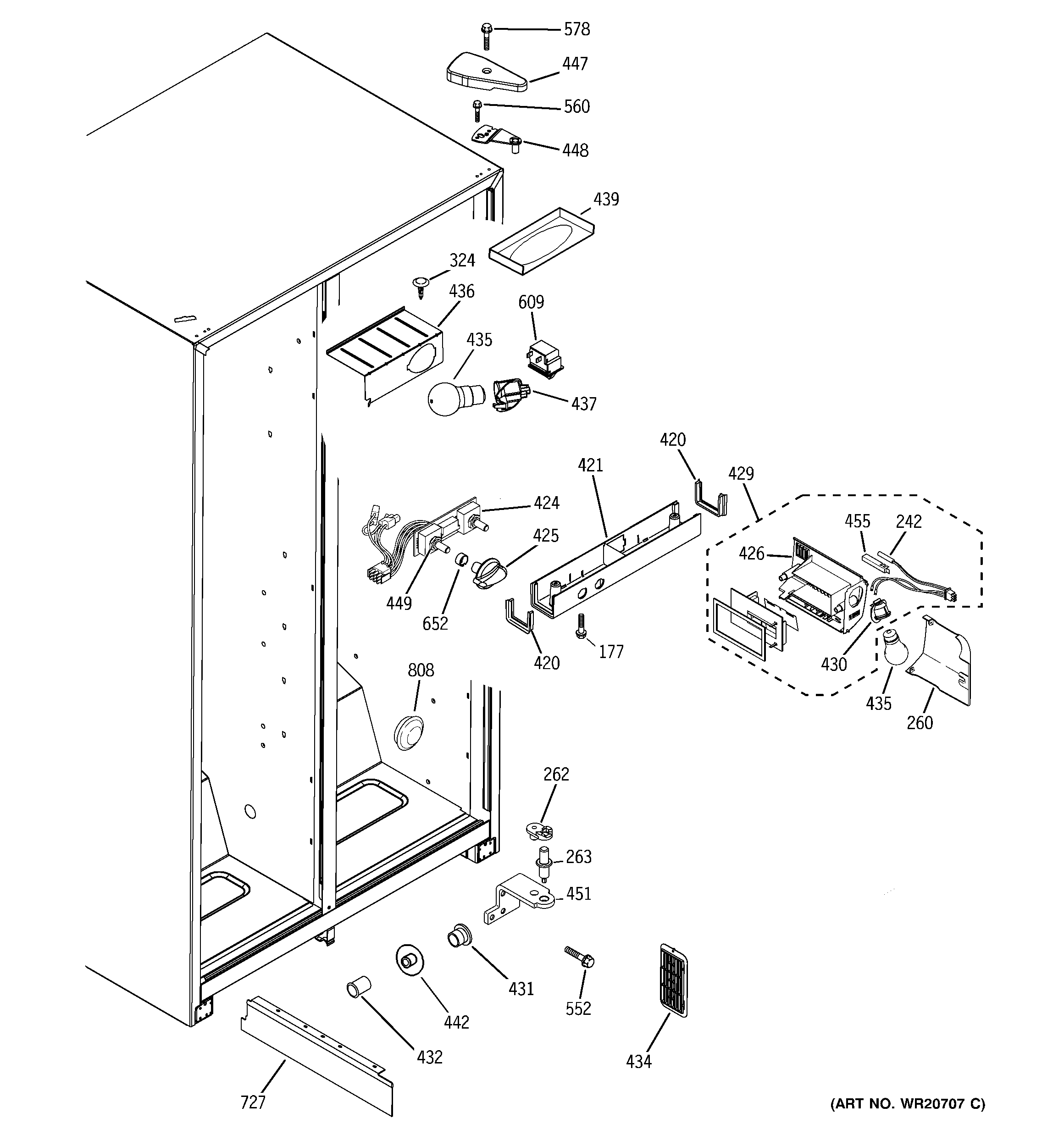
GSE20IBTNFBB FRESH FOOD SECTIONadmin2025-04-26T08:42:27+00:00GSE20IBTNFBB FRESH FOOD SECTION ProductsPositionProduct177WR01X10606 GE Refrigerator Screw 8-18 CA HX 1/2 S242WR55X10025 GE Refrigerator Temperature Sensor262WR02X11743 GE Refrigerator Hinge Cam Riser263PIN HINGE BTM ADJ324GEN WR02X7051420GEN WR14X10044421GEN WR17X12182424GEN WR55X10590425GEN WR02X10570426WR09X10050 DAMPER & GAS429GEN WR02X11250431WR2X9299 GE Refrigerator Air Duct Cap Mullion432WR02X10561 GE Duct Mullion434GEN WR17X10262435WR02X12207 GE Refrigerator Net Bulb Light436GEN WR02X10578437WR2X9014 GE Refrigerator Socket & Terminal C02439GEN WR17X10997442GEN WR02X10763447COVER HNG BK447GEN WR02X11480448HINGE TOP & PIN ASM449GEN WR01X10191451GEN WR13X10724455COVER SENSOR FF552WR01X10600 GE Refrigerator Screw 12-24 Tapping Hex .811 S Z560SCR 12-24 CA HX 7/8 S578WR01X10379 GE Refrigerator Hinge Cover Screw609WR23X37285 GE Light Switch652WR02X12149 GE Refrigerator Ring727GEN WR17X11409808GEN WR02X11594