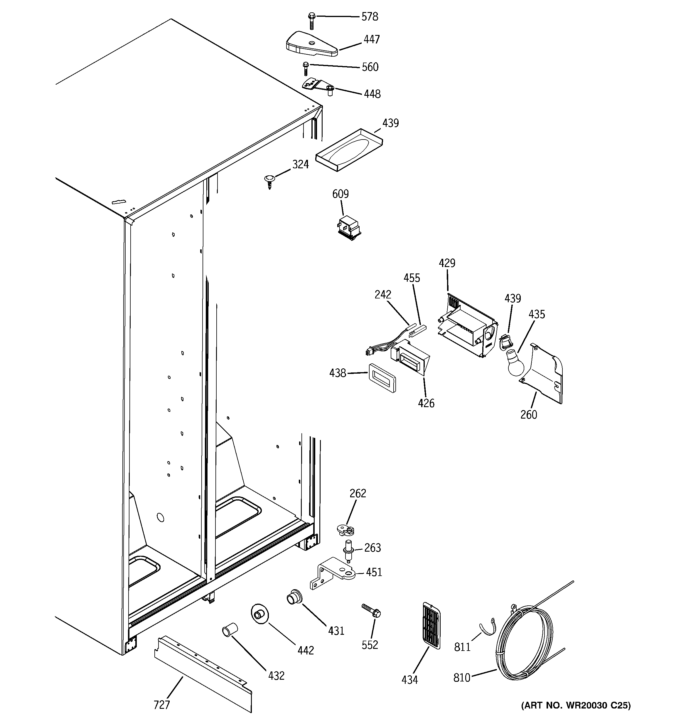
GSE20IETCFWW FRESH FOOD SECTIONadmin2025-04-26T08:42:46+00:00GSE20IETCFWW FRESH FOOD SECTION ProductsPositionProduct242WR55X10025 GE Refrigerator Temperature Sensor260SHIELD LIGHT262WR02X11743 GE Refrigerator Hinge Cam Riser263PIN HINGE BTM ADJ324GEN WR02X7051426WR60X10215 GE Refrigerator Damper and Thermistor Assembly429COVER DAMPER431WR2X9299 GE Refrigerator Air Duct Cap Mullion432WR02X10561 GE Duct Mullion434GEN WR17X10262435WR02X12207 GE Refrigerator Net Bulb Light438WR14X10047 GE Refrigerator Gasket Damper439GEN WR02X11007442GEN WR02X10763447GEN WR02X11480448GEN WR13X10289451GEN WR13X10422455COVER SENSOR FF552WR01X10600 GE Refrigerator Screw 12-24 Tapping Hex .811 S Z560SCR 12-24 CA HX 7/8 S578WR01X10379 GE Refrigerator Hinge Cover Screw609GEN WR23X10481727GEN WR17X11409810WATER STORAGE COIL811WR02X11607 GE Refrigerator Wire Tie