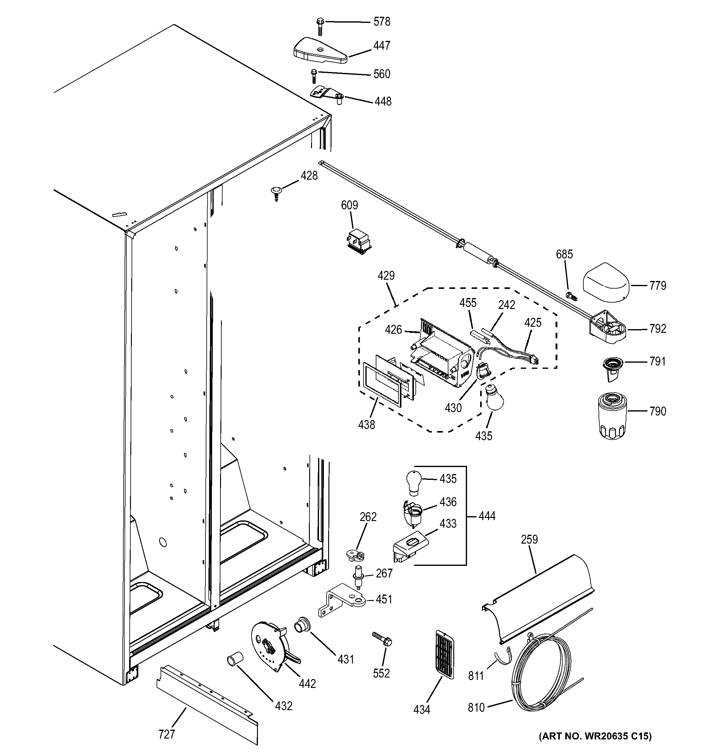
GSE22ETHC CC FRESH FOOD SECTIONadmin2025-04-26T08:43:10+00:00GSE22ETHC CC FRESH FOOD SECTION ProductsPositionProduct242WR55X10025 GE Refrigerator Temperature Sensor259SHIELD LIGHT LOWER262WR02X11743 GE Refrigerator Hinge Cam Riser267WR23X10496 GE Refrigerator Fan Heater Harness425WR60X10215 GE Refrigerator Damper and Thermistor Assembly426COVER DAMPER428GEN WR02X7051429WR13X10988 GE Refrigerator Damper Cover Assembly430SOCKET LAMP431WR2X9299 GE Refrigerator Air Duct Cap Mullion432WR02X10561 GE Duct Mullion433HOUSING LAMP SOCKET INT434GEN WR17X10262435RANGE ONLY 40W 120V APPL BULB436WR02X10591 GE Light Socket and Terminal438WR14X10047 GE Refrigerator Gasket Damper442CONTROL MEAT PAN ASM444HOUSING LIGHT LWR ASM447CVR HNG BQ448HINGE TOP & PIN ASM RH451HINGE BTM & PIN ASM455COVER SENSOR FF552WR01X10600 GE Refrigerator Screw 12-24 Tapping Hex .811 S Z560SCR 12-24 CA HX 7/8 S578WR01X10379 GE Refrigerator Hinge Cover Screw609SWITCH LIGHT685SCR 8-18 AB HXW 3/4 S727GEN WR17X11409779COVER WATER FILTER790MWFP GE Replacement Water Filter Pureline for Refrigerator791WR17X22070 GE Water Filter Bypass Plug792WR02X45209 GE Manifold MWF810WATER STORAGE COIL811WR02X11607 GE Refrigerator Wire Tie