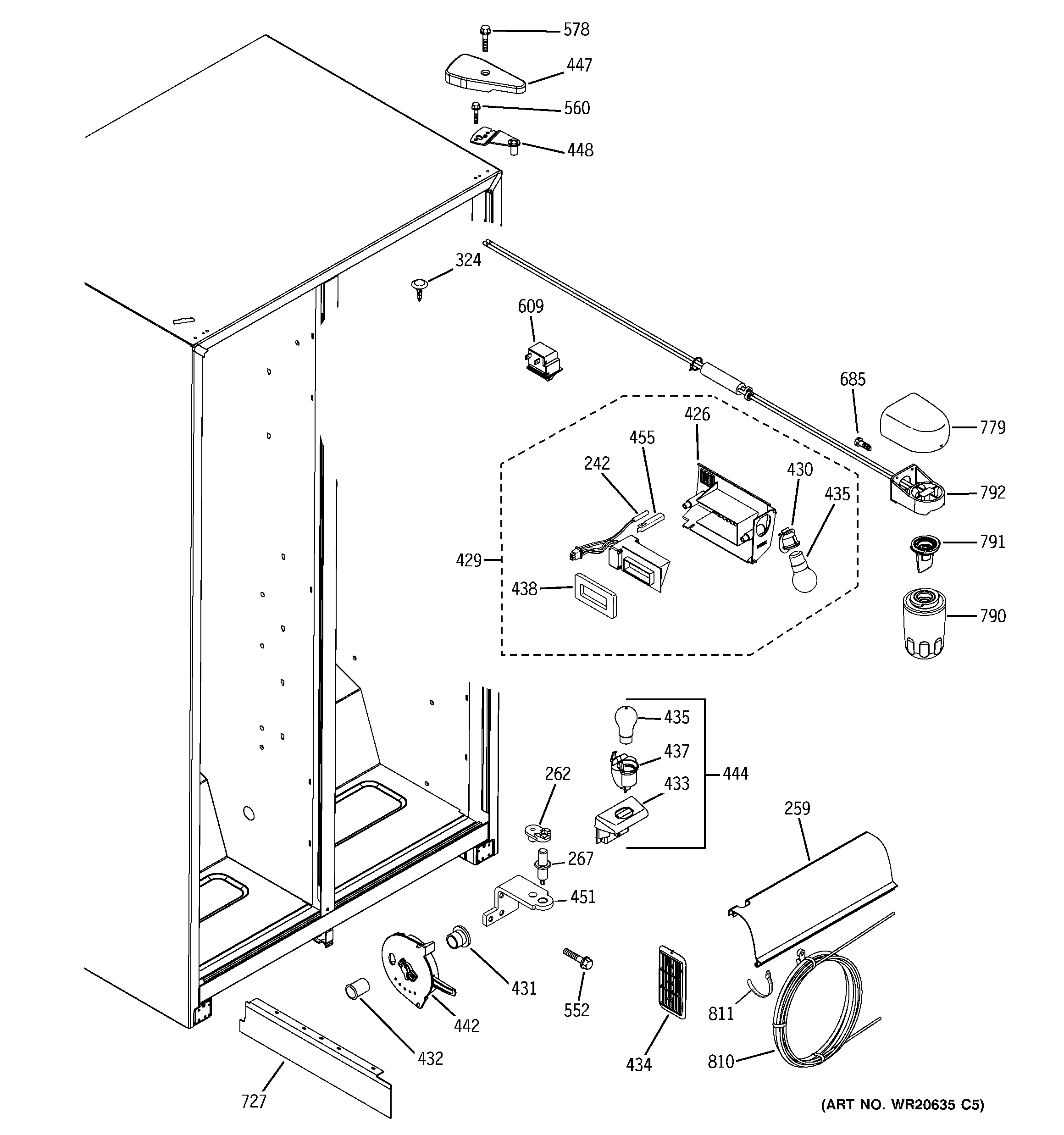
GSE22KEBBFBB FRESH FOOD SECTIONadmin2025-04-26T08:42:39+00:00GSE22KEBBFBB FRESH FOOD SECTION ProductsPositionProduct242WR55X10025 GE Refrigerator Temperature Sensor262WR02X11743 GE Refrigerator Hinge Cam Riser267WR23X10496 GE Refrigerator Fan Heater Harness324GEN WR02X7051426COVER DAMPER429WR60X10215 GE Refrigerator Damper and Thermistor Assembly431WR2X9299 GE Refrigerator Air Duct Cap Mullion432WR02X10561 GE Duct Mullion434GEN WR17X10262435WR02X12207 GE Refrigerator Net Bulb Light437WR2X9014 GE Refrigerator Socket & Terminal C02438WR14X10047 GE Refrigerator Gasket Damper442GEN WR02X10042447COVER HNG BK447CVR HNG WHT448HINGE TOP & PIN ASM451GEN WR13X10422455COVER SENSOR FF552WR01X10600 GE Refrigerator Screw 12-24 Tapping Hex .811 S Z560SCR 12-24 CA HX 7/8 S578WR01X10379 GE Refrigerator Hinge Cover Screw609GEN WR23X10481685SCR 8-18 AB HXW 3/4 S727GEN WR17X11409791GEN WR02X10682810WATER STORAGE COIL811WR02X11607 GE Refrigerator Wire Tie