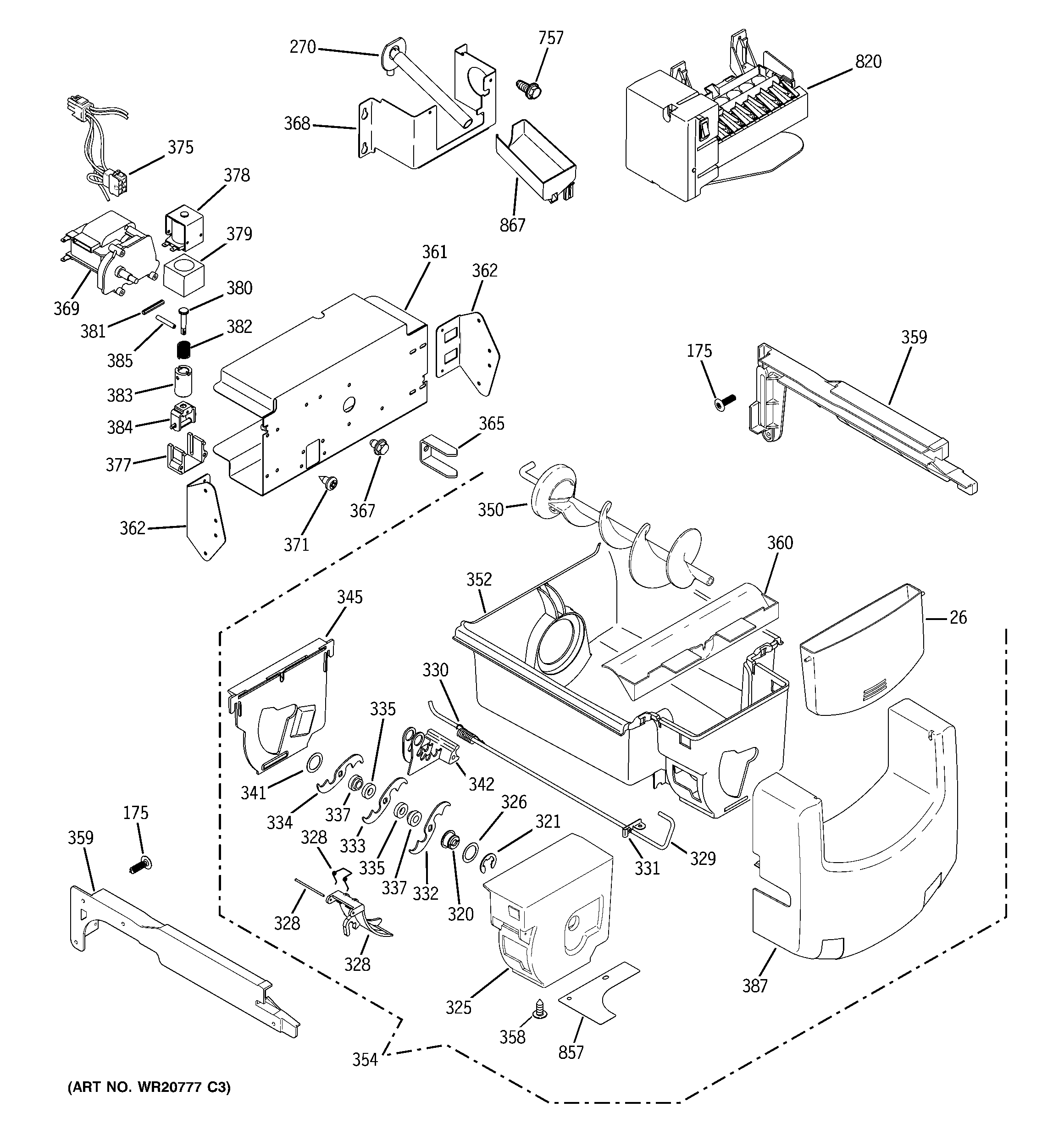
GSE23GGEBCBB ICE MAKER & DISPENSER

GSE23GGEBCBB ICE MAKER & DISPENSER

Products

PositionProduct
26WR17X12905 GE Ice Maker Lid Cover
175WR01X10652 GE Refrigerator Screw 8-18 AB IHW 5/8 S
270WR17X11168 GROMMET AND TUBE ASM
320WR01X10315 GE Refrigerator Auger Nut
321WR1X1367D GE Refrigerator Return Package 12
325WR17X11505 GE Refrigerator Housing Crusher
326GEN WR01X1366
328WR17X10703 GE Refrigerator Deflector
328GEN WR02X4561
328WR2X4143 GE Refrigerator Pivot
329WR17X11411 GE Refrigerator Wire Actuator Dispenser
330WR02X11768 GE Refrigerator Internal Spring Deflector
331WR02X10580 GE Refrigerator Retainer Spring
332WR17X11239 GE Refrigerator Blades Moving Dispenser
333WR17X11240 GE Dispensing Moving Blades
334WR17X11241 GE Refrigerator Blades Moving Dispenser
335GEN WR02X4139
337WR2X4138 GE Refrigerator Spacer
341WR29X10045 GE Refrigerator Washer Crusher Blade
342WR02X10691 GE Refrigerator STATIONARY Blades Assembly
345WR17X11497 GE Refrigerator Ice Dispenser Crusher Cover
350BUCKET AUGER
352WR30X10068 GE Refrigerator Ice Bucket Dispenser
354WR29X46731 GE Ice Bucket and Auger Assembly
358WR01X10607 GE Scraper 8-18 Ab Phr 1/2 S
359WR72X10169 GE Refrigerator Glide Bracket Left Hand
359WR72X10170 GE Refrigerator Glide Bracket Right Hand
360WR17X11450 GE Refrigerator Diverter Overflow
361WR17X24304 GE Refrigerator Motor and Solenoid Cover
362WR02X12057 GE Angle Bracket
365DRIVE AUGER DISP
367WR01X10618 GE Refrigerator Screw 8-18 TPT 1/4
368WR02X12061 GE Refrigerator IM Mounting Bracket
369WR60X10258 GE Refrigerator Icemaker Auger Motor
371WR01X10619 GE Refrigerator Screw
375WR23X10425 GE Refrigerator Harness Motor & SOL
377WR2X7309 GE Refrigerator Solenoid Cushion
381WR62X23154 GE Refrigerator Ice Dispenser Solenoid Kit
382WR62X26536 GE Refrigerator Armature Kit
387WR17X12901 GE Refrigerator Dispenser Bucket Cover
757WR01X10622 GE Refrigerator Screw 10-32 B IHXW 1/2
820WR30X35285 GE Refrigerator Icemaker Assembly
857WR17X12730 GE Ice Diverter
867WR29X10109 GE Refrigerator Water Fill Cup