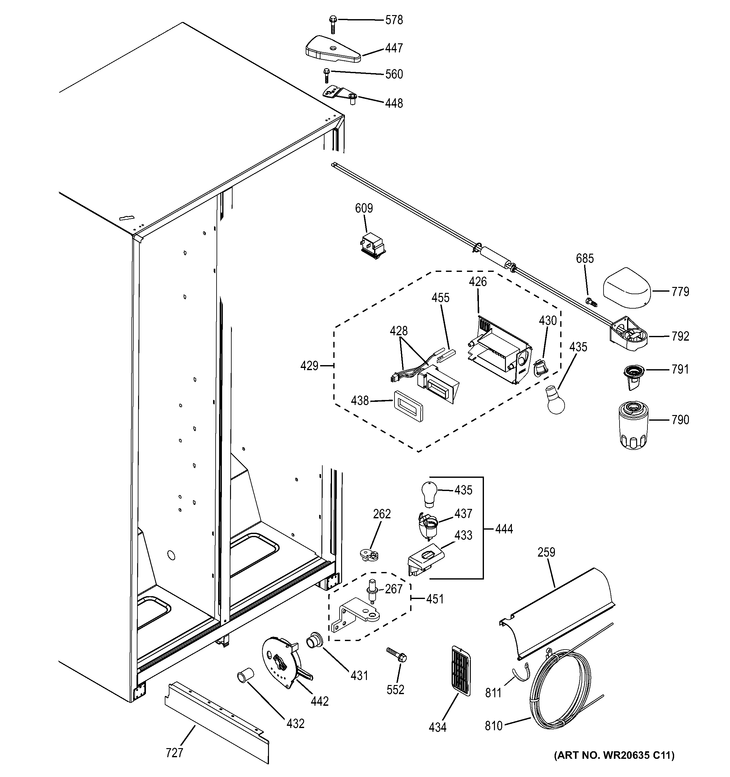
GSE25ESHC SS FRESH FOOD SECTION