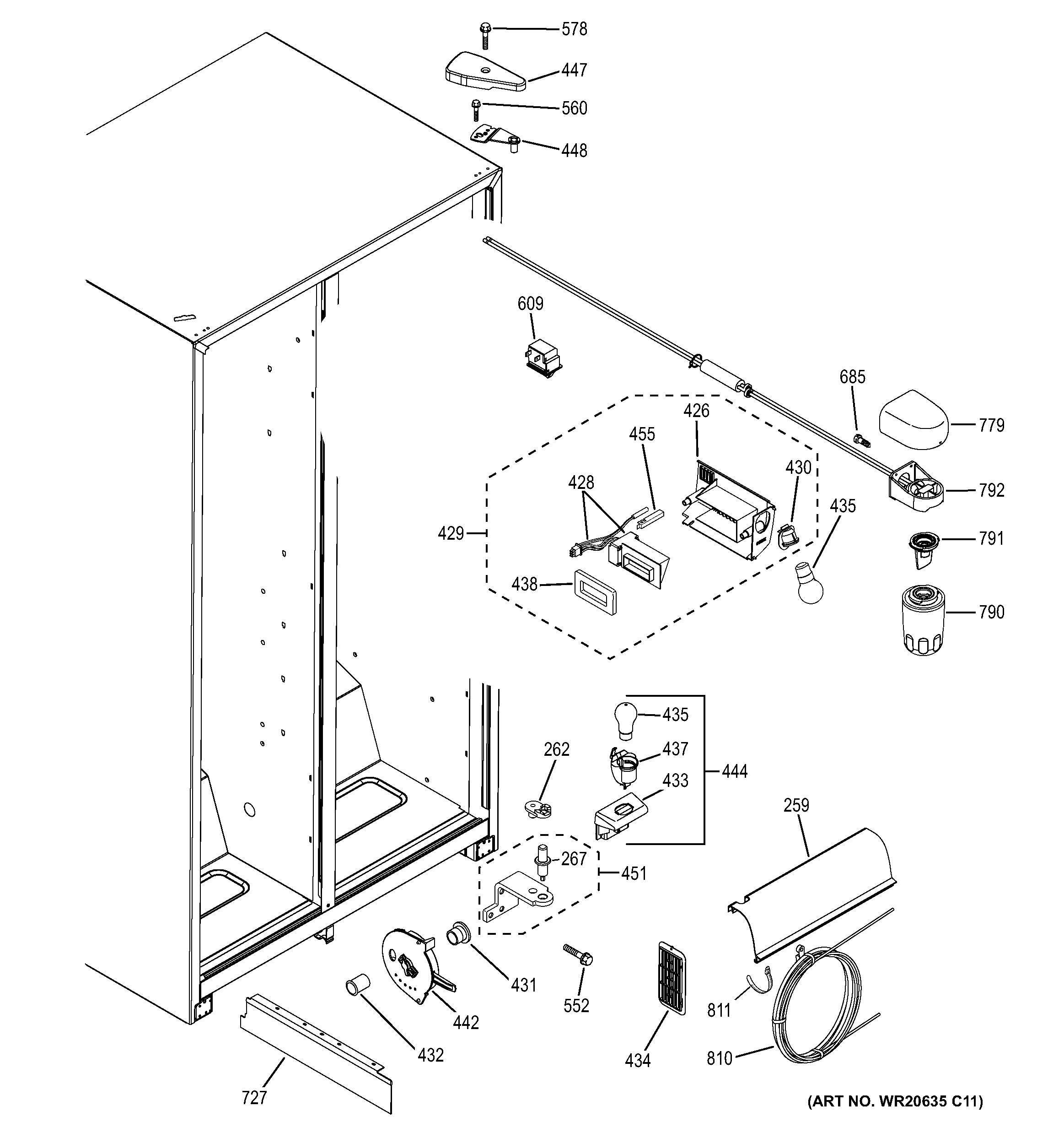
GSE25ETHC WW FRESH FOOD SECTION