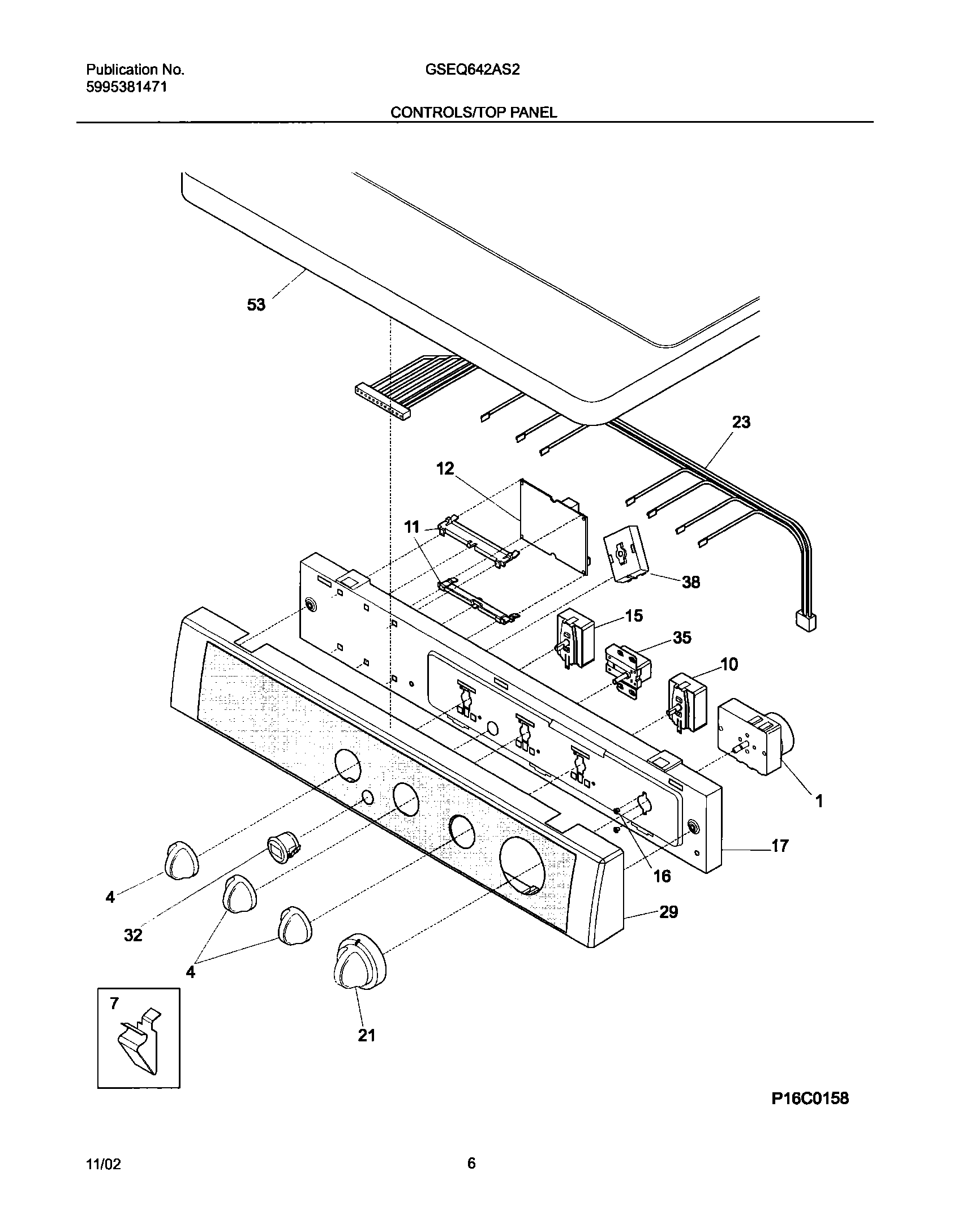
GSEQ642AS2 07 – CONTROLS/TOP PANELadmin2025-04-26T10:25:20+00:00GSEQ642AS2 07 – CONTROLS/TOP PANEL ProductsPositionProductNIWIRING HARNESS, MAIN1131930600 Frigidaire Dryer Timer P1 "T"4134042800 Frigidaire Washer Rotary Knob73205821 Frigidaire Clip10134398300 Frigidaire Washer Dryer Turn-to-Start Switch11BRACKET-CONTROL BOARD12CONTROL BOARD,MOISTURE SENSOR15WCI 13164190016218359202 Frigidaire Refrigerator Screw17BRKT-CONT MTG-STACK DRYER21DRYER TIMER KNOB WHITE23WCI 13406460029WCI 13166694932134040800 Frigidaire Switch35Switch,2 position38WCI 13195920053PANEL-TOP WHITE