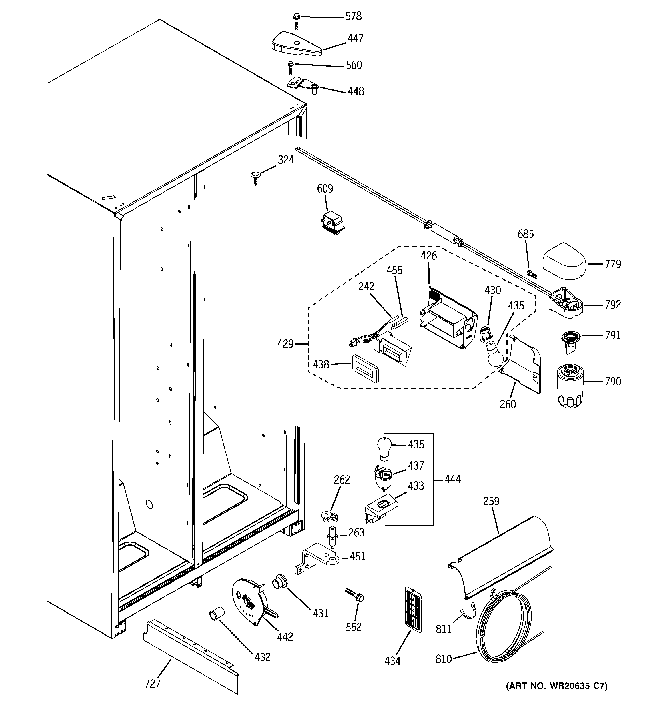
GSF25IGZBBB FRESH FOOD SECTION