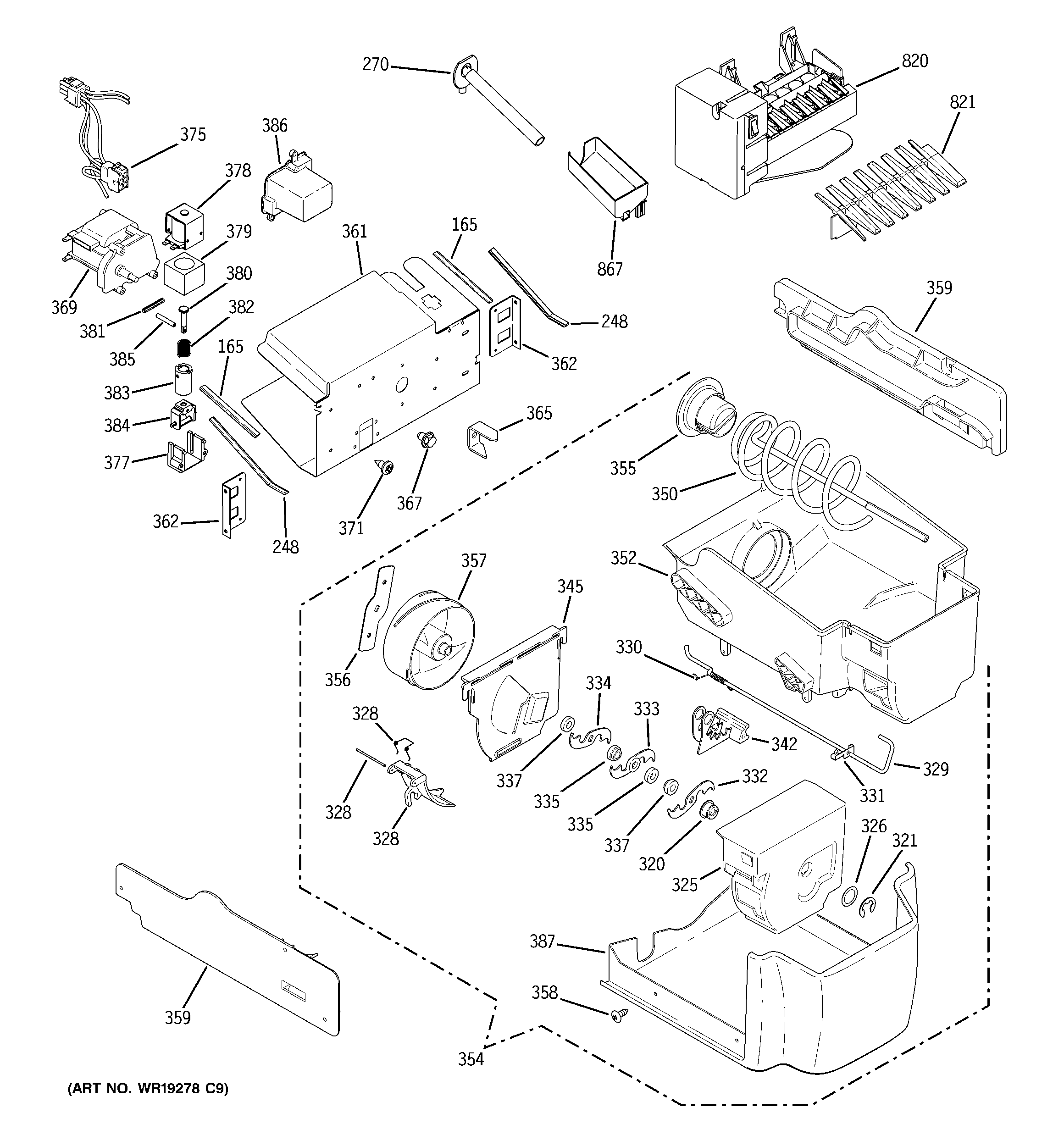
GSF25XGREBB ICE MAKER & DISPENSERadmin2025-04-26T08:50:08+00:00GSF25XGREBB ICE MAKER & DISPENSER ProductsPositionProduct165WR14X10167 GE Motor Cover Gasket248GEN WR14X10168270WR17X11168 GROMMET AND TUBE ASM320WR01X10315 GE Refrigerator Auger Nut321WR1X1367D GE Refrigerator Return Package 12325WR17X11505 GE Refrigerator Housing Crusher326GEN WR01X1366328WR17X10703 GE Refrigerator Deflector328GEN WR02X4561328WR2X4143 GE Refrigerator Pivot329WR17X11456 GE Refrigerator Wire Actuator Dispenser330WR02X11768 GE Refrigerator Internal Spring Deflector331WR02X10580 GE Refrigerator Retainer Spring332WR17X1361 GE Refrigerator Blades Moving Display333WR17X1362 GE Refrigerator Middle Blade334WR17X1363 GE Refrigerator Blades Moving Display335GEN WR02X4139337WR2X4138 GE Refrigerator Spacer342WR02X10691 GE Refrigerator STATIONARY Blades Assembly345WR17X11453 GE Refrigerator Crusher Cover350WR17X11455 GE Refrigerator Auger HELIX Dispenser352WR30X10100 GE Refrigerator Ice Bucket Dispenser354WR17X11447 GE Ice Bucket Auger Assembly355WR17X11459 GE Refrigerator Ice Dispenser Bucket Drive Cup356WR17X11458 GE Refrigerator HELIX Lock Plate357WR17X11457 GE Refrigerator Helix358WR01X10389 GE Refrigerator Screw 8-18 AB PHR 1/2 S359GEN WR72X10137359GEN WR72X10136361GEN WR17X11460362GEN WR02X10656365WR02X11534 GE Refrigerator Drive Auger DC02367WR01X10618 GE Refrigerator Screw 8-18 TPT 1/4369WR60X10259 GE Refrigerator Ice Crusher Dispenser Auger Motor371WR01X10619 GE Refrigerator Screw375GEN WR23X10330377WR2X7309 GE Refrigerator Solenoid Cushion381WR62X23154 GE Refrigerator Ice Dispenser Solenoid Kit382WR62X26536 GE Refrigerator Armature Kit386WR02X11767 GE Refrigerator Auger Motor Boot387GEN WR17X11454820WR30X10093 GE Refrigerator Ice Maker821WR29X10085 GE Ice Stripper867WR29X10109 GE Refrigerator Water Fill Cup