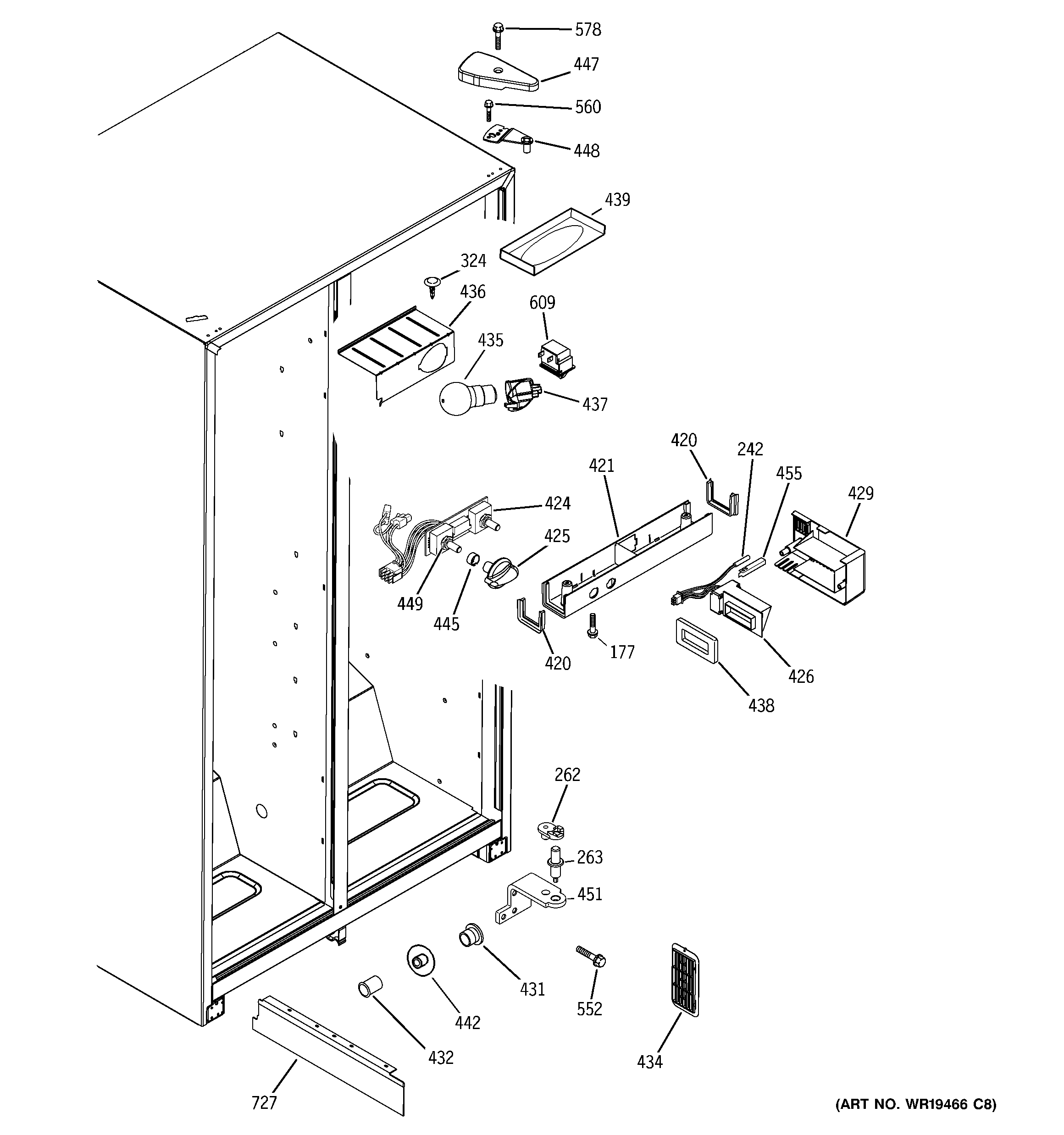
GSG20IBPHFBB FRESH FOOD SECTION