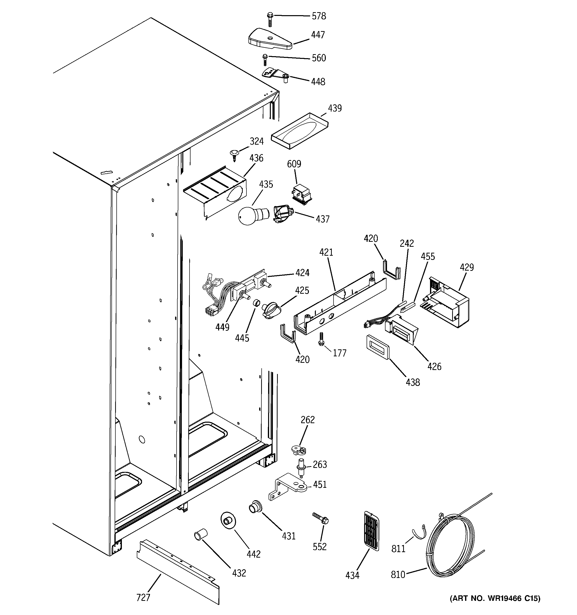
GSG20IESAFBB FRESH FOOD SECTION