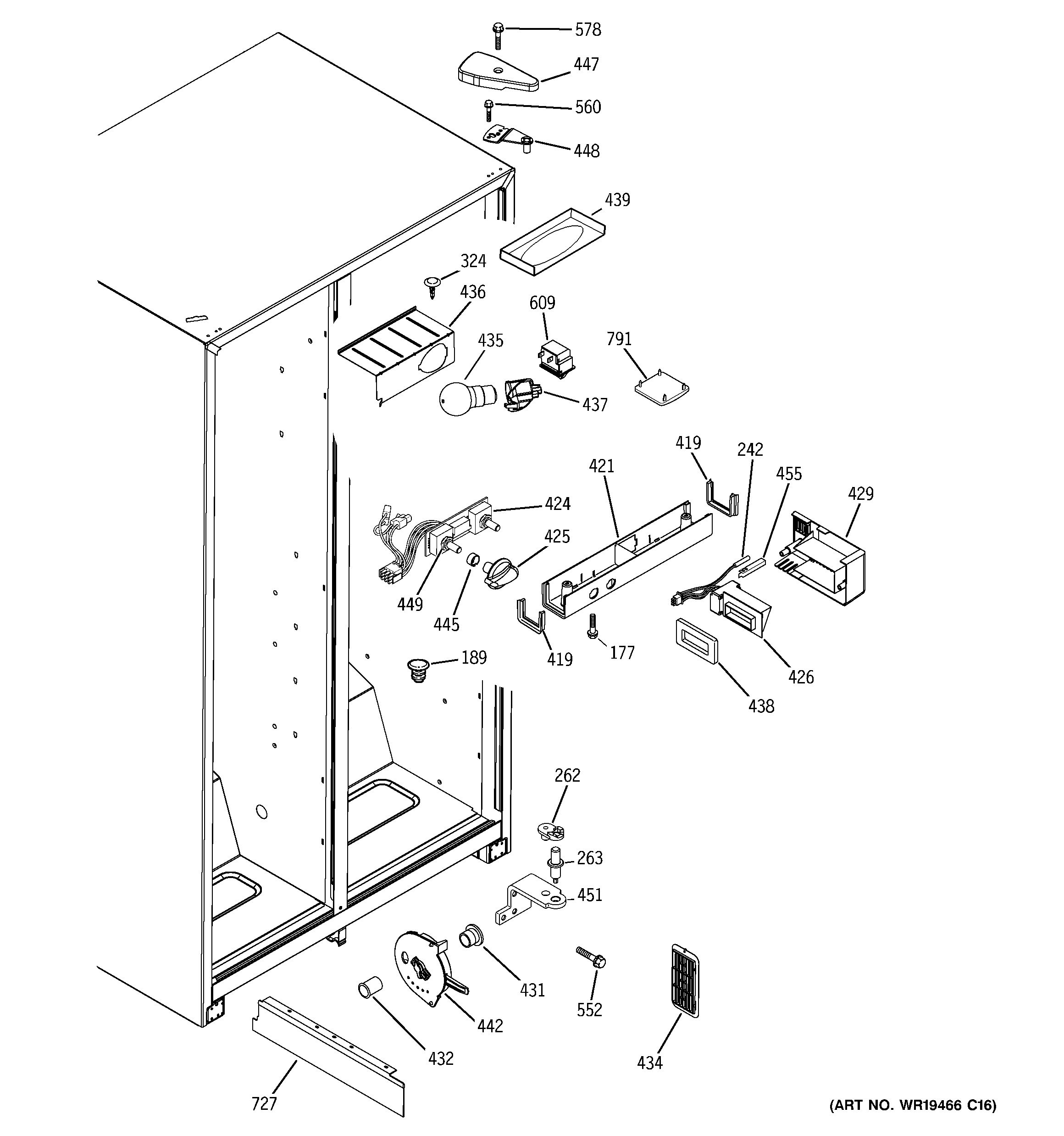
GSG22KBPHFWW FRESH FOOD SECTION