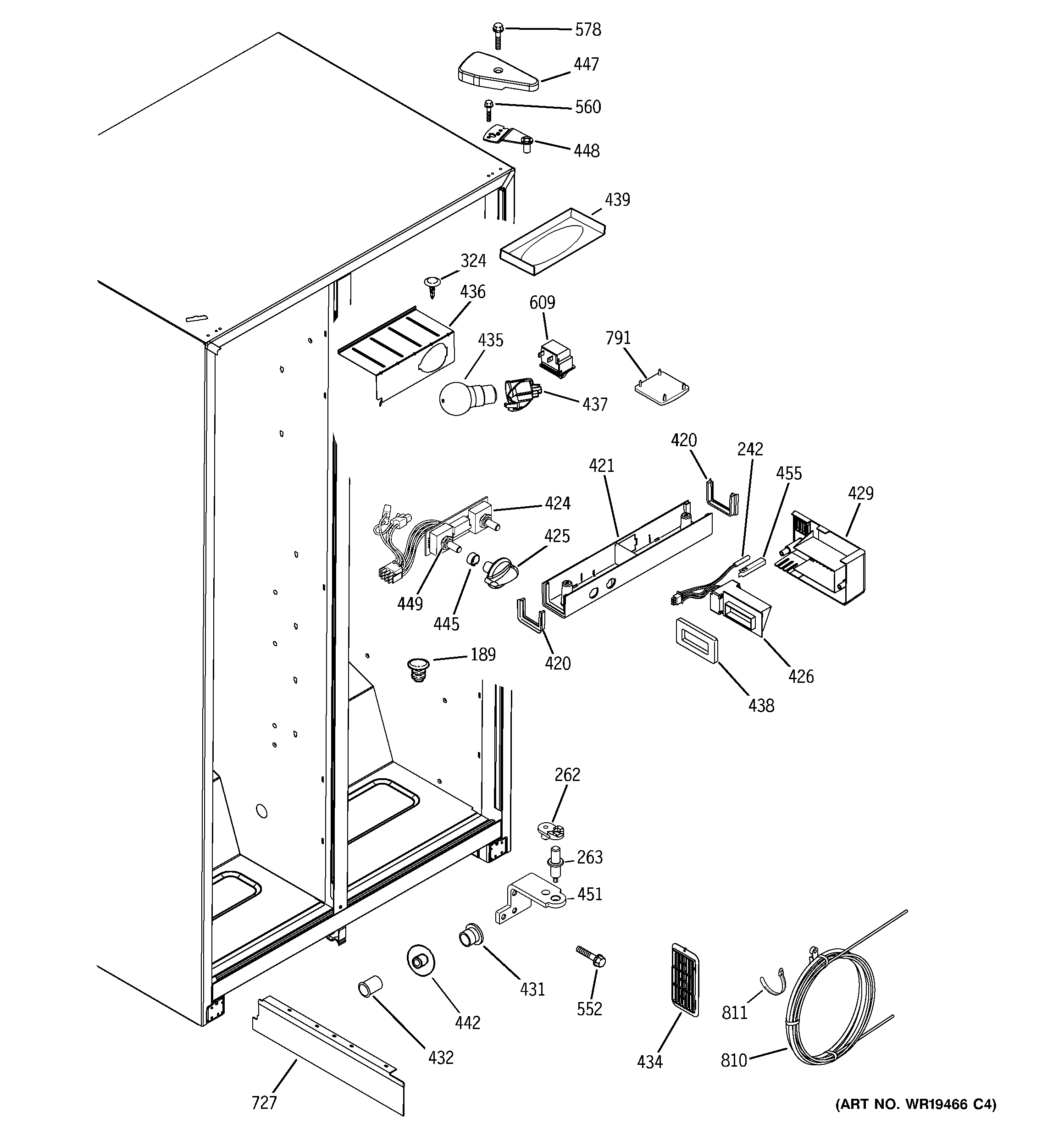
GSG22KEPDFWW FRESH FOOD SECTION