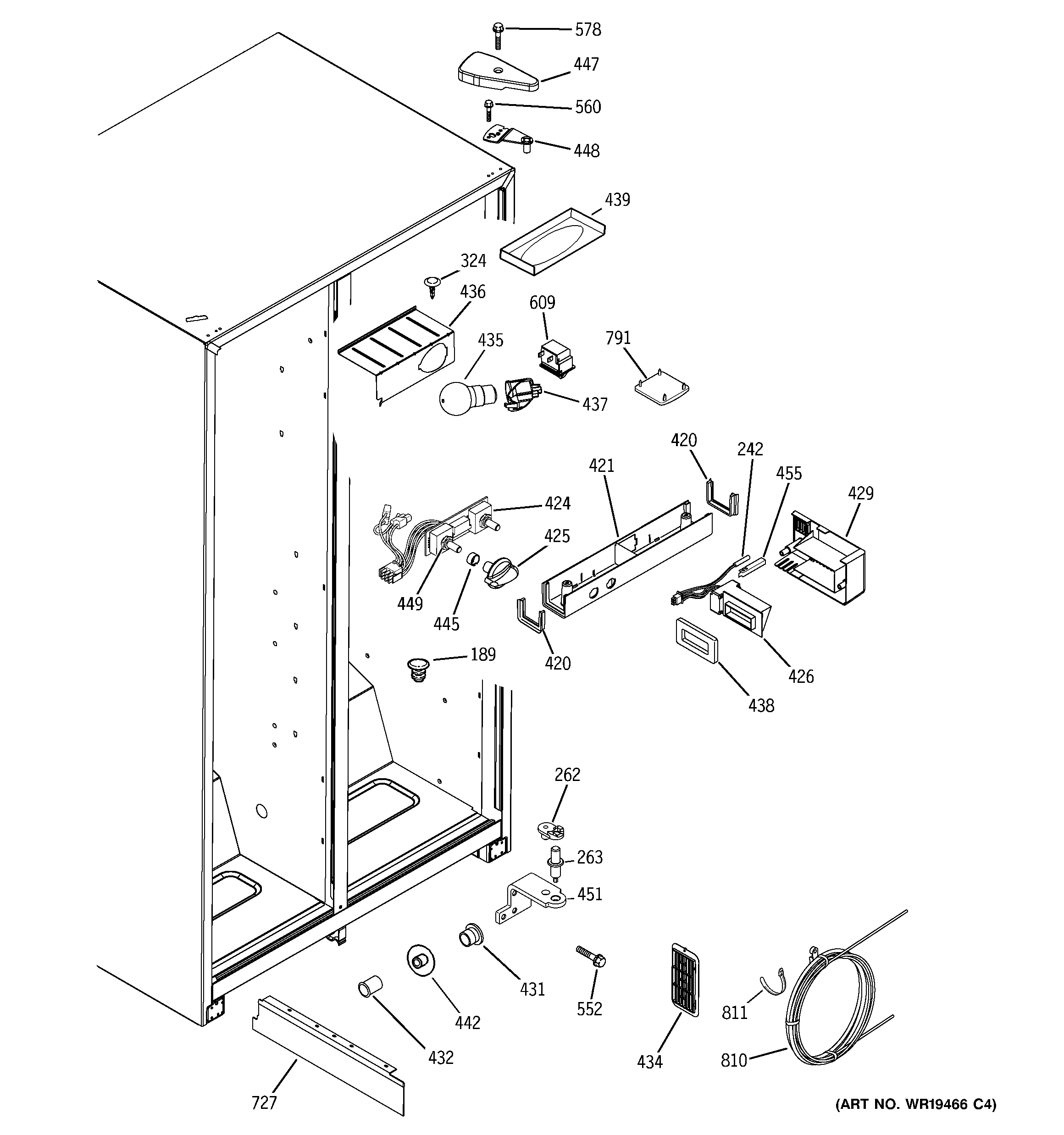
GSG22KEPHFWW FRESH FOOD SECTION