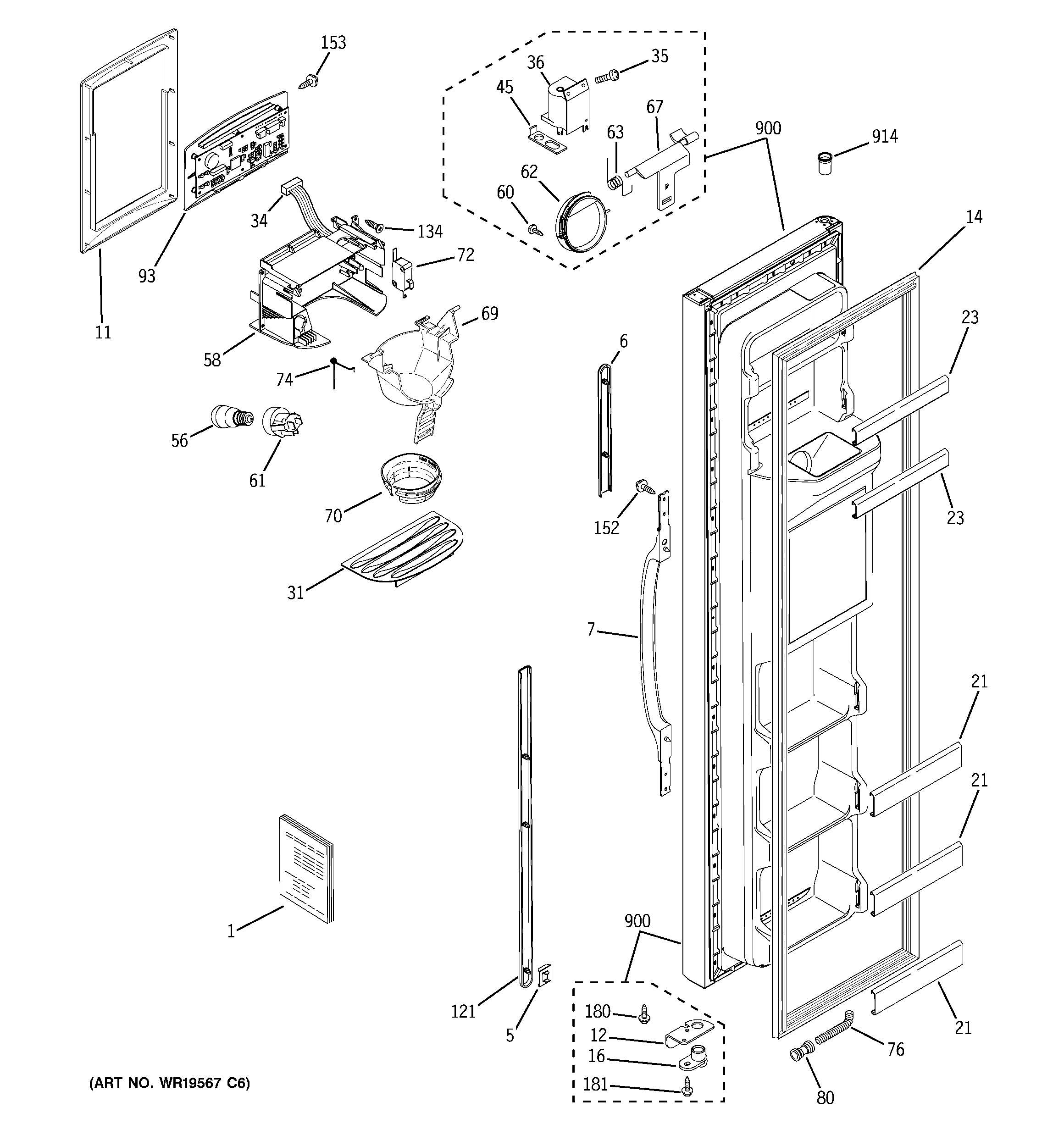
GSG25IESCFWW FREEZER DOORadmin2025-04-26T08:50:37+00:00GSG25IESCFWW FREEZER DOOR ProductsPositionProduct1GEN 49-603461GEN 31-516115GEN WR02X104316GEN WR12X103887WR12X10332 GE Refrigerator SXS Handle11RECESS TRIM12GEN WR02X1057614WR24X10300 GE Refrigerator Door Gasket16GEN WR02X1147821GEN WR17X1088323GEN WR17X1088831GEN WR17X1071234GEN WR23X1016635WR01X10649 GE Refrigerator Screw 8-10 PL PNP 1/2 S36WR62X10055 GE Refrigerator Dispenser Door Solenoid Assembly45WR2X8818 GE Refrigerator Retainer56WR01X37886 GE Refrigerator Dispenser Light58WR17X11170 GE Refrigerator Housing Shield Dispenser60WR01X10656 GE Refrigerator Screw 4-10 PL PNP 5/16 S5H61WR2X9561 GE Refrigerator Lamp Socket62WR17X11653 GE Refrigerator Ice Door Flap Assembly63WR02X10585 SPRING RECES67WR17X10706 GE Refrigerator Door Crank Recess69WR17X11264 GE Ice Funnel Assembly White70GEN WR17X1126572WR23X10783 GE Refrigerator Dispenser Micro Switch74GEN WR02X1058476GEN WR02X893380WR02X11330 GE Refrigerator 5/16 Union Water Line Connector93GEN WR55X10443121GEN WR12X10389134WR01X10019 GE Refrigerator Screw 6-10 PL FLP 1/2 S152GEN WR01X10038153WR1X1505D GE Refrigerator Screw Package of 12180WE02X10011 GE Screw181GEN WR01X10215900GEN WR78X11305914GEN WR01X10200