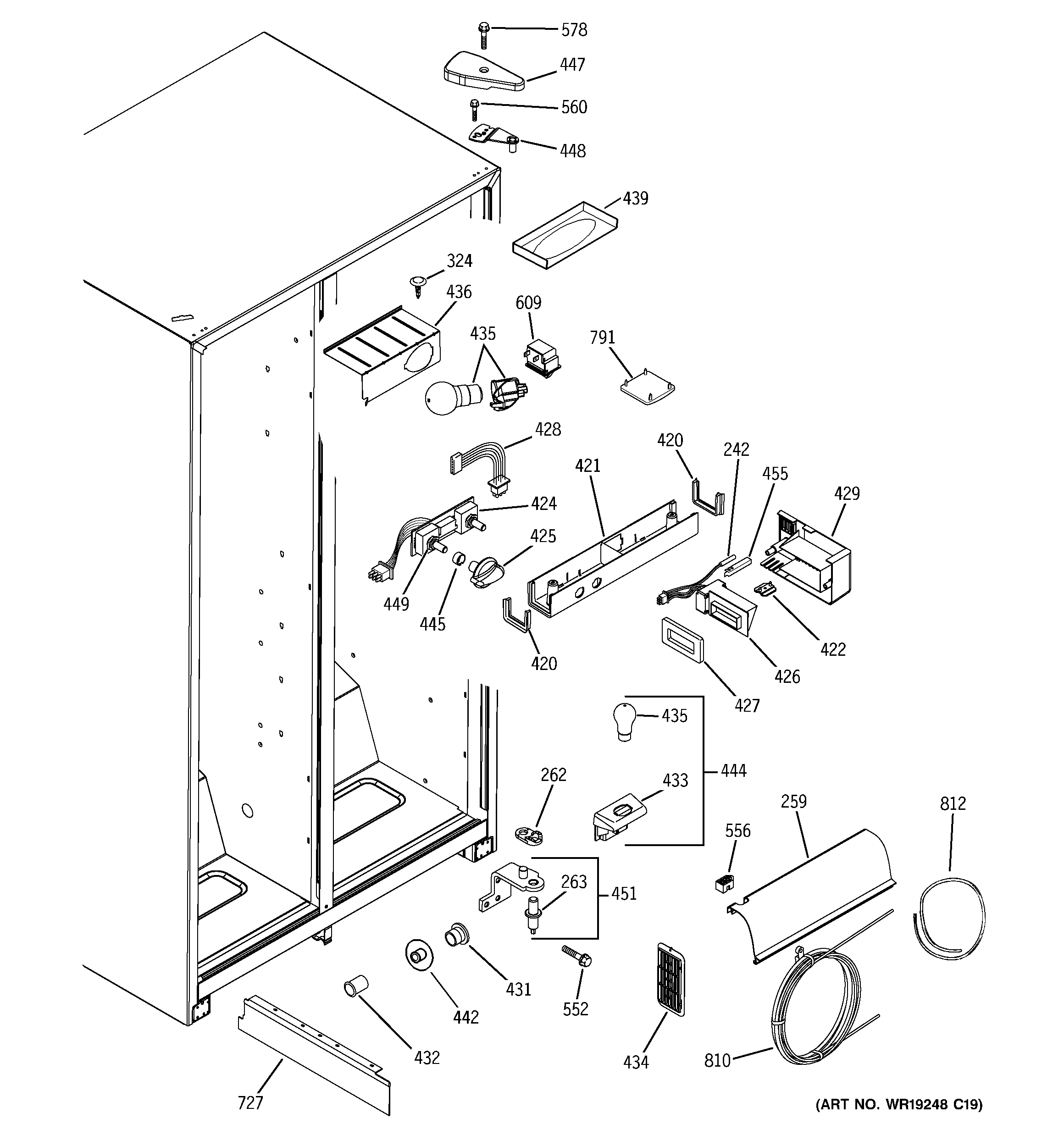
GSG25MIPAFWW FRESH FOOD SECTIONadmin2025-04-26T08:50:37+00:00GSG25MIPAFWW FRESH FOOD SECTION ProductsPositionProduct242WR55X10025 GE Refrigerator Temperature Sensor259WR17X10725 GE Refrigerator Light Shield262GEN WR02X11286263GEN WR02X10592324GEN WR02X7051420GEN WR14X10044421GEN WR17X10884422GEN WR02X10546424WR55X10150 GE Refrigerator Board Assembly Encoder425GEN WR02X11173426WR09X10050 DAMPER & GAS427WR14X10047 GE Refrigerator Gasket Damper428GEN WR23X10245429GEN WR02X11250431WR2X9299 GE Refrigerator Air Duct Cap Mullion432WR02X10561 GE Duct Mullion433GEN WR02X10026434GEN WR17X10262435WR2X9014 GE Refrigerator Socket & Terminal C02435WR02X12207 GE Refrigerator Net Bulb Light436GEN WR02X10578439GEN WR17X10997442GEN WR02X10042444GEN WR23X10226445WR02X12149 GE Refrigerator Ring447GEN WR02X11480448GEN WR13X10289449GEN WR01X10191451GEN WR13X10287455GEN WR02X10622552WR01X10600 GE Refrigerator Screw 12-24 Tapping Hex .811 S Z556GEN WH12X0497560GEN WR01X10195578WR01X10379 GE Refrigerator Hinge Cover Screw609WR23X37285 GE Light Switch727GEN WR17X11409791GEN WR02X10682812WATER STORAGE COIL