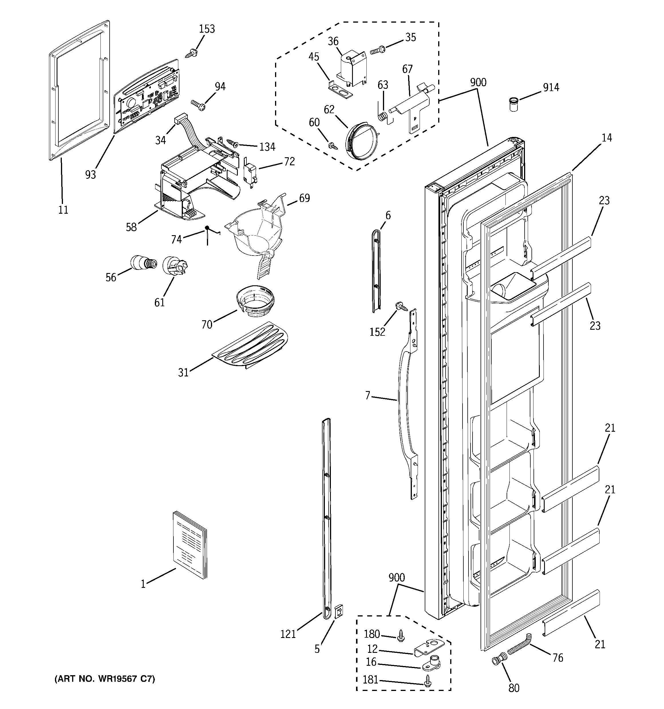
GSG25MISAFWW FREEZER DOOR