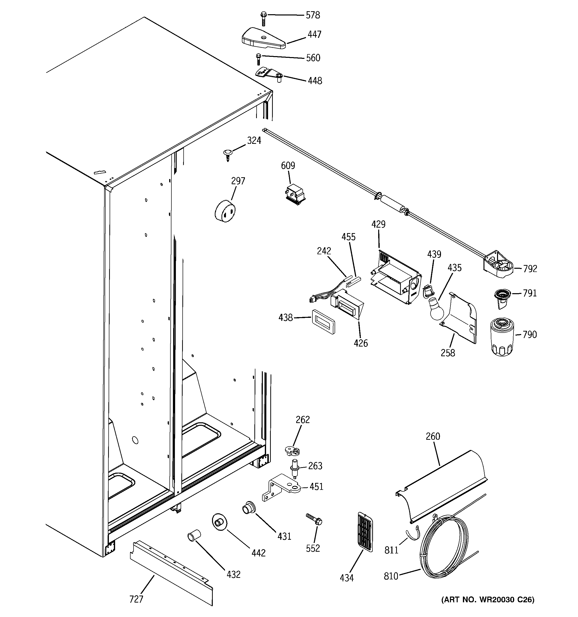
GSH22IFTBBB FRESH FOOD SECTIONadmin2025-04-26T08:40:34+00:00GSH22IFTBBB FRESH FOOD SECTION ProductsPositionProduct242WR55X10025 GE Refrigerator Temperature Sensor258GEN WR17X10765260SHIELD LIGHT262WR02X11743 GE Refrigerator Hinge Cam Riser263PIN HINGE BTM ADJ297GEN WR02X12234324GEN WR02X7051426WR60X10215 GE Refrigerator Damper and Thermistor Assembly429COVER DAMPER431WR2X9299 GE Refrigerator Air Duct Cap Mullion432WR02X10561 GE Duct Mullion434GEN WR17X10262435RANGE ONLY 40W 120V APPL BULB438WR14X10047 GE Refrigerator Gasket Damper439WR02X10645 GE Refrigerator Lamp Socket442GEN WR02X10763447COVER HNG BK448GEN WR13X10285451GEN WR13X10405455COVER SENSOR FF552WR01X10600 GE Refrigerator Screw 12-24 Tapping Hex .811 S Z560SCR 12-24 CA HX 7/8 S578WR01X10379 GE Refrigerator Hinge Cover Screw609GEN WR23X10481727GEN WR17X11409790MWFP GE Replacement Water Filter Pureline for Refrigerator791WR17X22070 GE Water Filter Bypass Plug792WR02X45209 GE Manifold MWF810WATER STORAGE COIL811WR02X11607 GE Refrigerator Wire Tie