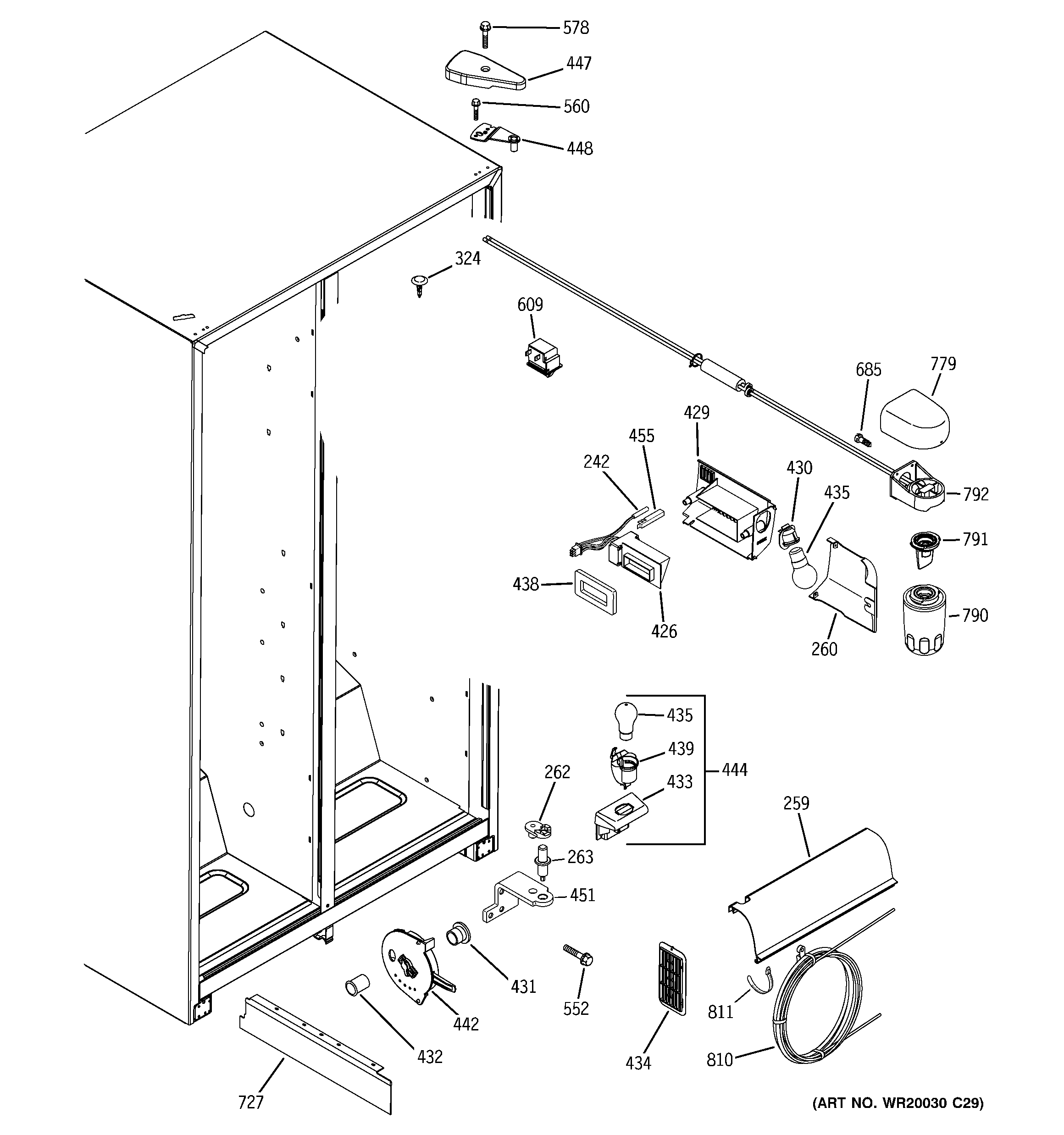
GSH22JFTBBB FRESH FOOD SECTION