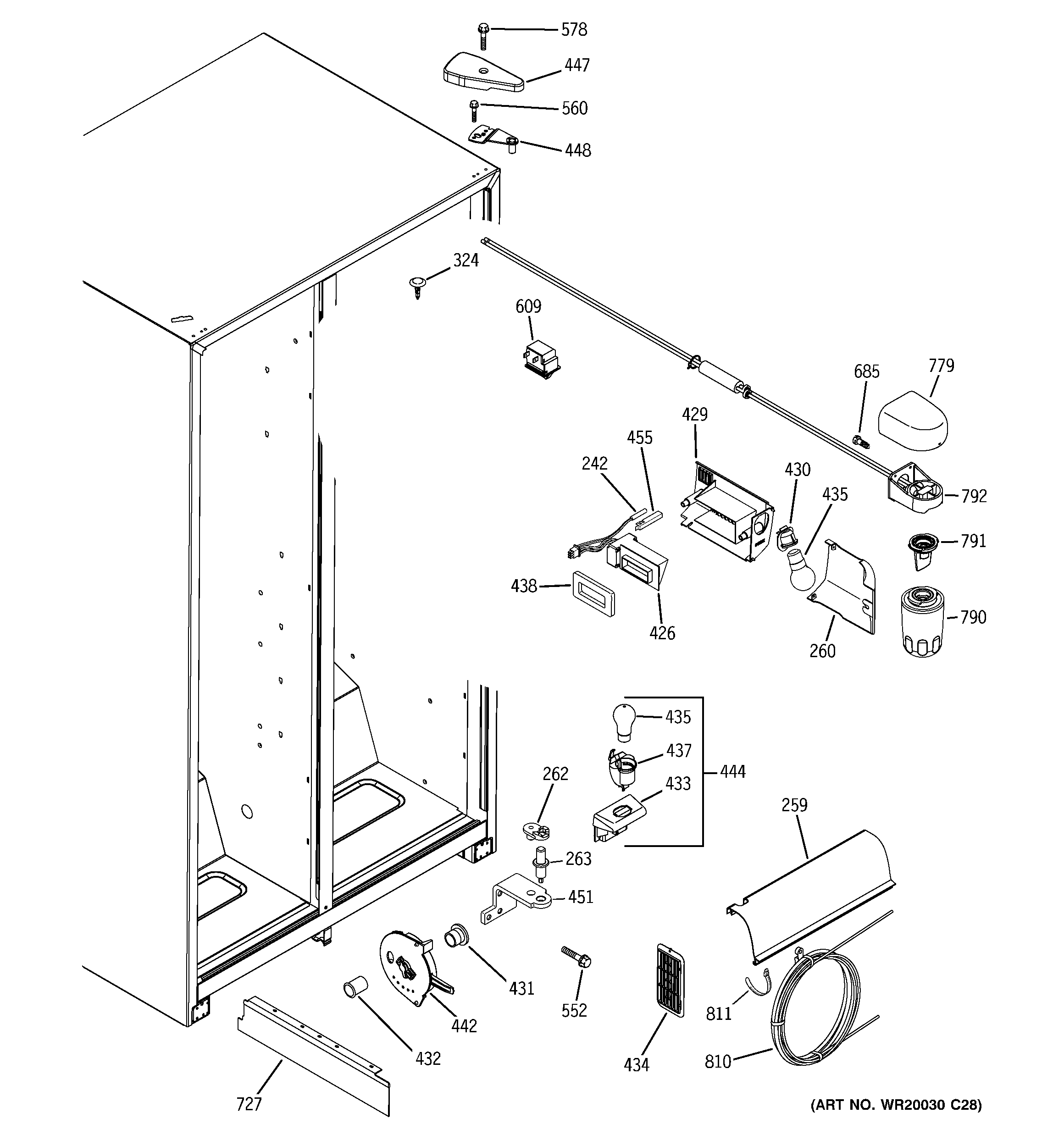
GSH22JFTDCC FRESH FOOD SECTION