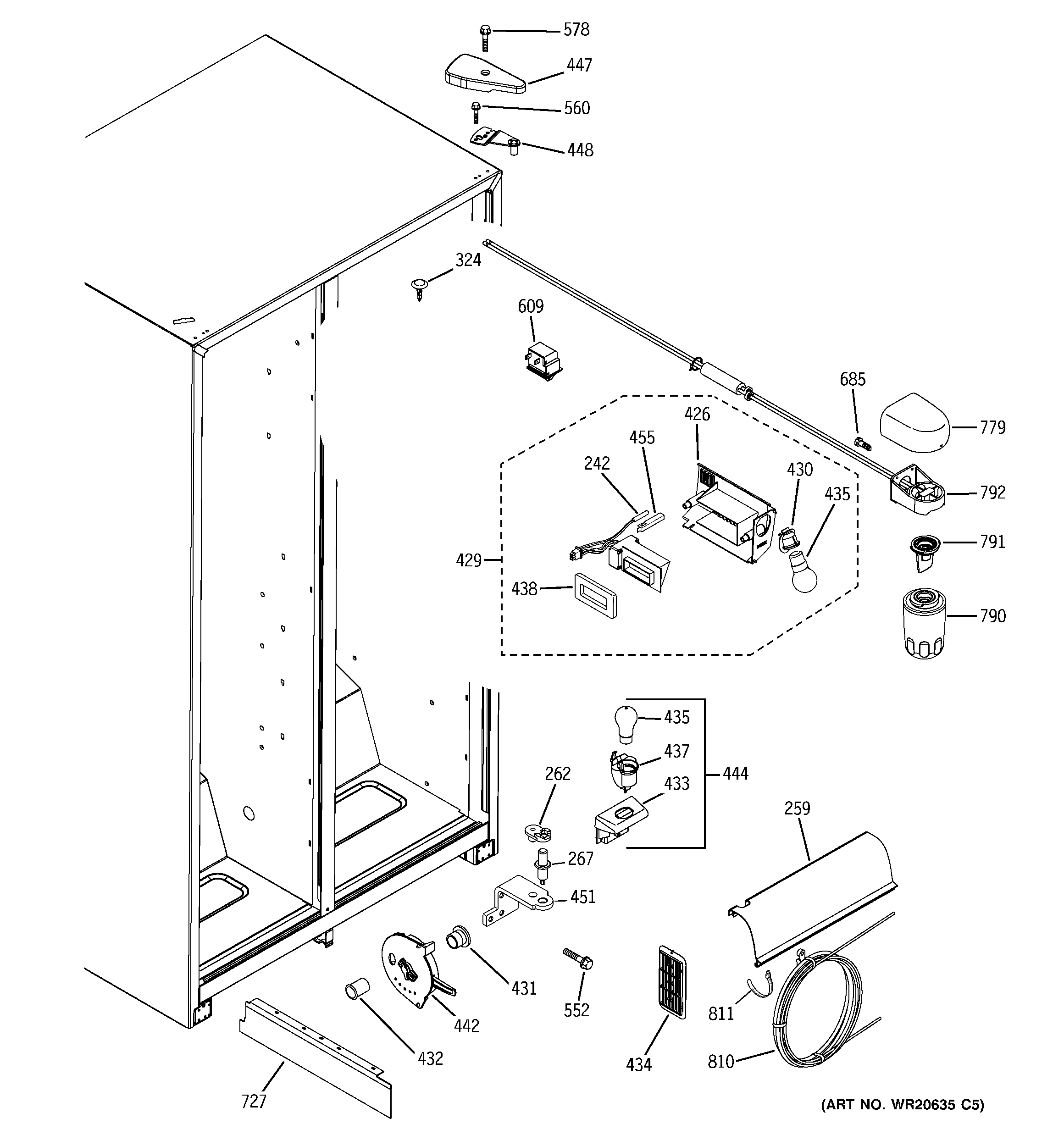
GSH22JGCEBB FRESH FOOD SECTIONadmin2025-04-26T08:40:00+00:00GSH22JGCEBB FRESH FOOD SECTION ProductsPositionProduct242WR55X10025 GE Refrigerator Temperature Sensor259SHIELD LIGHT LOWER262WR02X11743 GE Refrigerator Hinge Cam Riser267WR23X10496 GE Refrigerator Fan Heater Harness324GEN WR02X7051426COVER DAMPER429WR13X10988 GE Refrigerator Damper Cover Assembly430SOCKET LAMP431WR2X9299 GE Refrigerator Air Duct Cap Mullion432WR02X10561 GE Duct Mullion433HOUSING LAMP SOCKET INT434GEN WR17X10262435RANGE ONLY 40W 120V APPL BULB437SOCKET & TERMINAL438WR14X10047 GE Refrigerator Gasket Damper442WR02X13309 GE Refrigerator Control Meat Pan Assembly444HOUSING LIGHT LWR ASM447COVER HNG BK447CVR HNG WHT447CVR HNG BQ448HINGE TOP & PIN ASM RH451GEN WR13X10422455COVER SENSOR FF552WR01X10600 GE Refrigerator Screw 12-24 Tapping Hex .811 S Z560SCR 12-24 CA HX 7/8 S578WR01X10379 GE Refrigerator Hinge Cover Screw609GEN WR23X10481685SCR 8-18 AB HXW 3/4 S727GEN WR17X11409779GEN WR02X10621790MWFP GE Replacement Water Filter Pureline for Refrigerator791WR17X22070 GE Water Filter Bypass Plug792WR02X45209 GE Manifold MWF810WATER STORAGE COIL811WR02X11607 GE Refrigerator Wire Tie