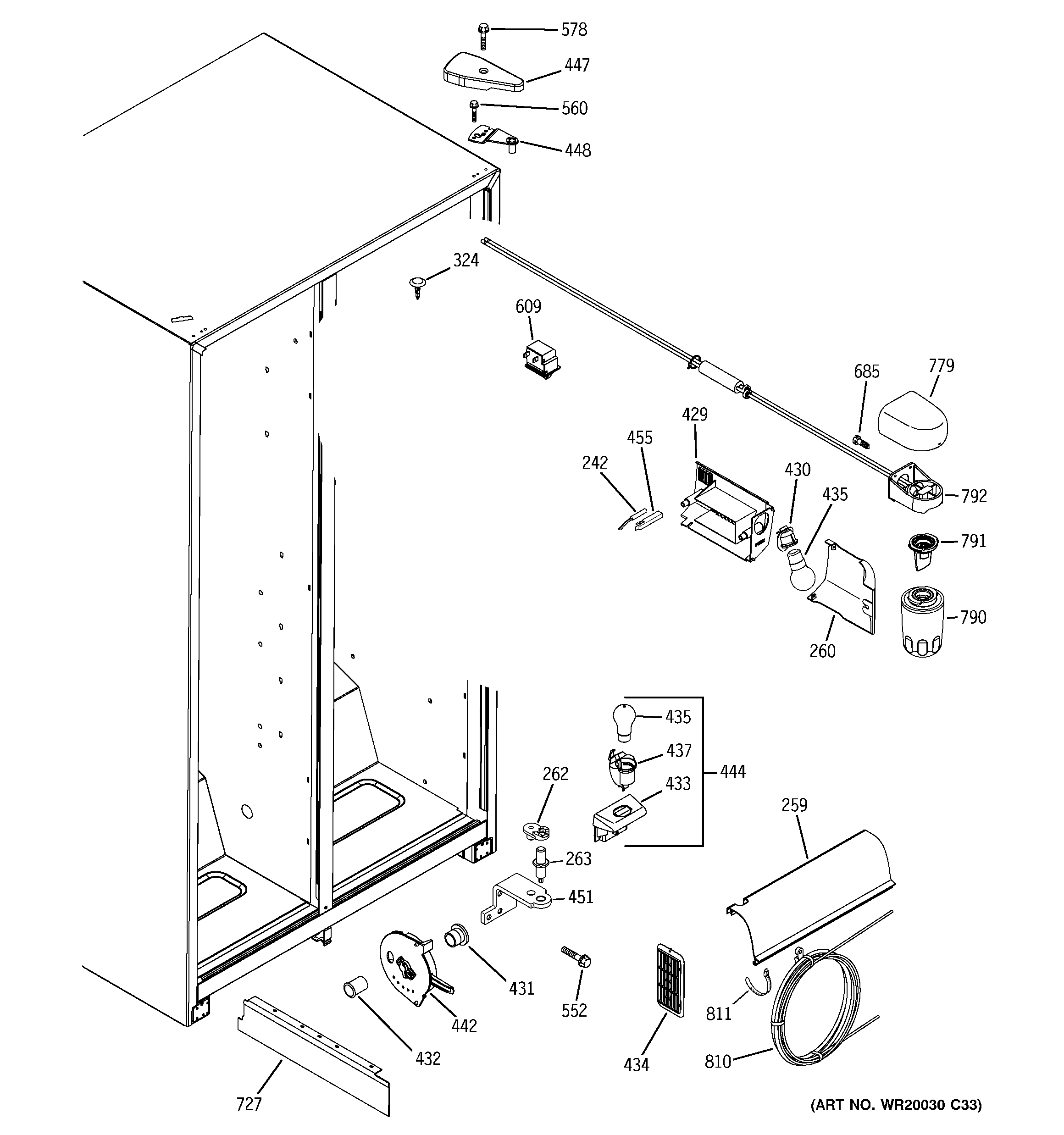
GSH25JFTFCC FRESH FOOD SECTION