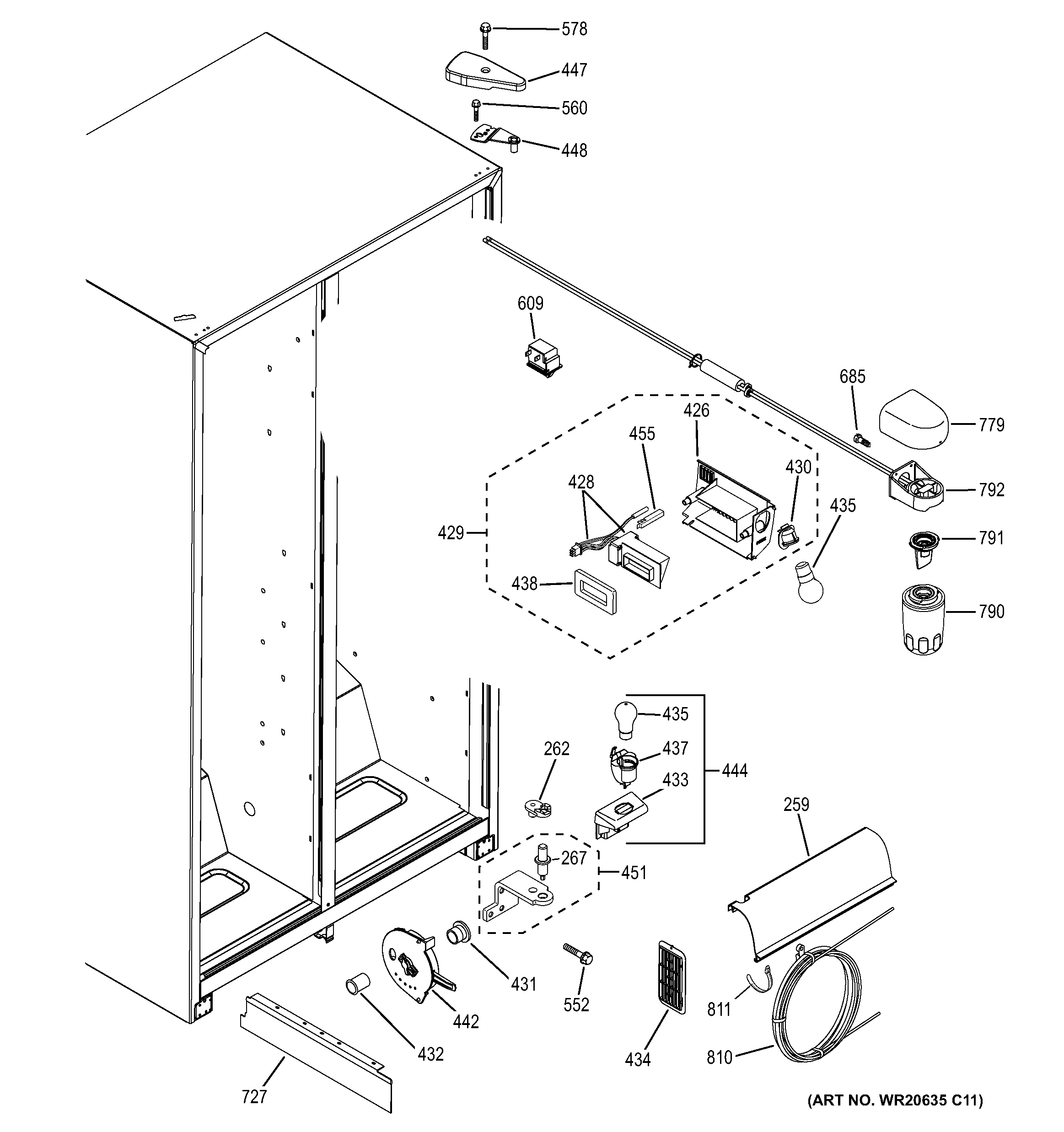
GSH25JGDCBB FRESH FOOD SECTION