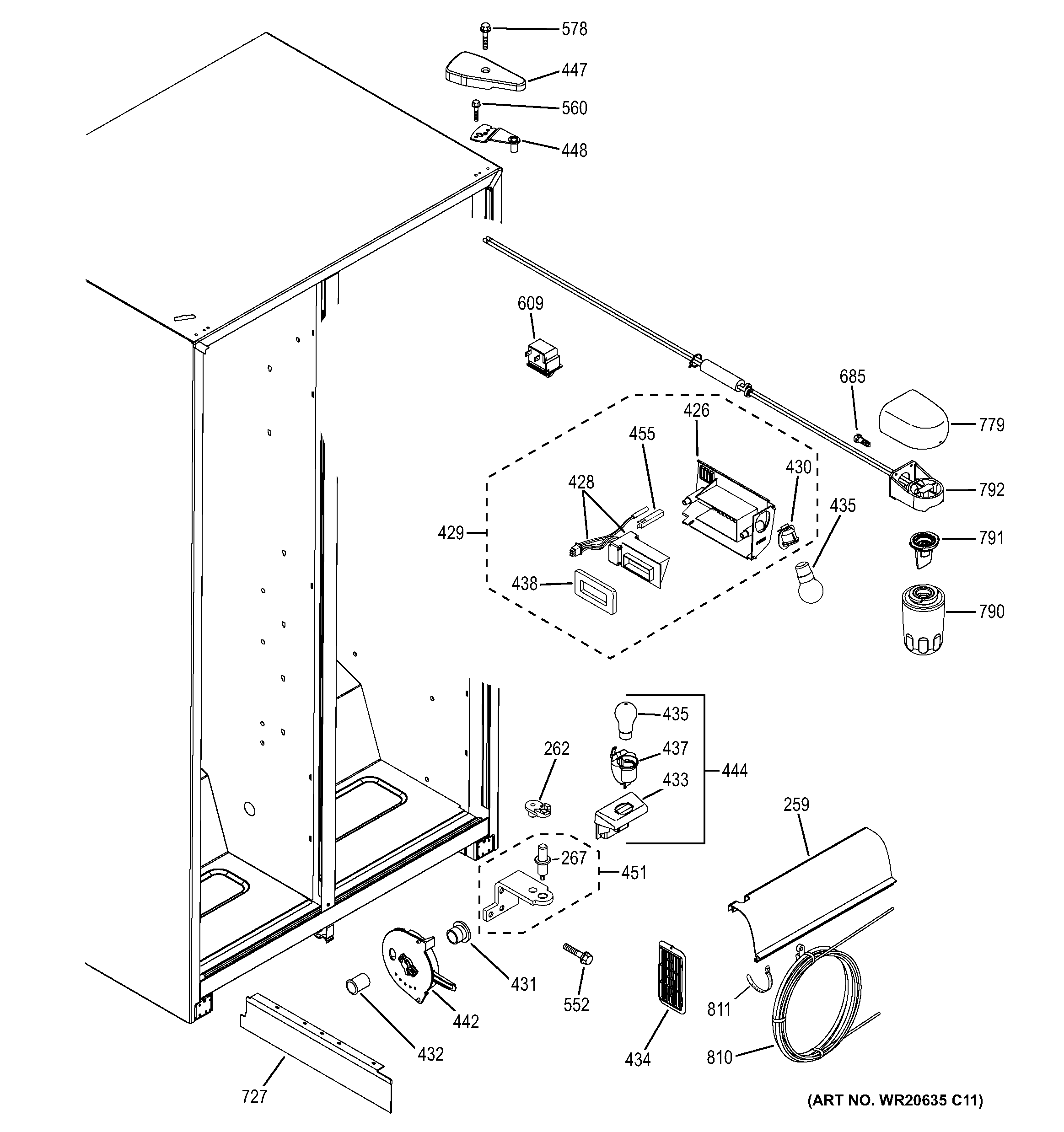
GSH25JGDCCC FRESH FOOD SECTION