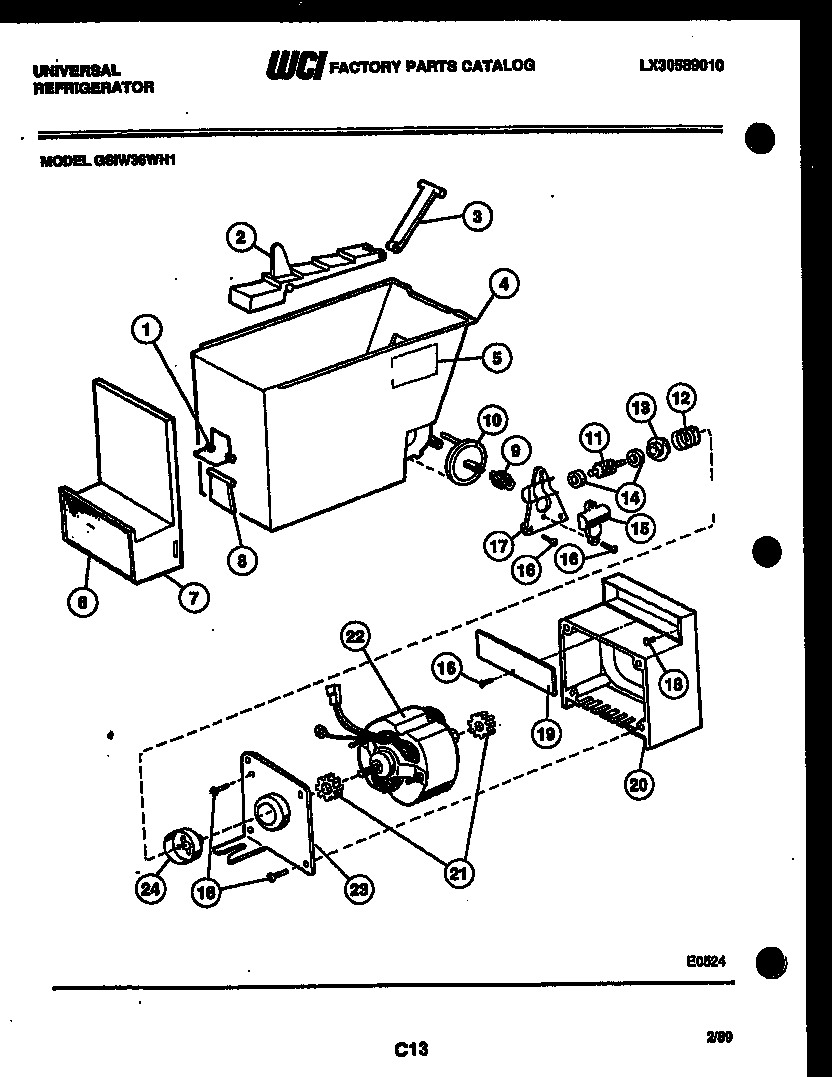
GSIW36EH1 08 – ICE DISPENSERadmin2025-04-26T11:41:57+00:00GSIW36EH1 08 – ICE DISPENSER ProductsPositionProduct1SPRING-ICE DOOR2WCI G174413-033DEFLECTOR4ICE CONTAINER5LABEL-ICE DISP6LABEL-ICE CONTAINER7FRONT-ICE CONTAINER8WCI G174407-039WCI G17470210DISC, ICE RAM DRIVE11WCI G17440612SPRING-ILE DISP DRIVE13COUPLING-ICE DISP CONT14WCI G17769515COVER-HOUSING ICE RAM165304455650 Frigidaire Refrigerator Screw17HOUSING, ICE RAM DRIVE185304455852 Frigidaire Refrigerator Screw19COVER-ICE DISP MOTOR20HOUSING-ICE DISP MOTOR21GROMMET-ICE DISP MOTOR (2)22WCI 0801704923BRACKET-ICE DISP MTR24COUPLING-ICE DISP MOTOR