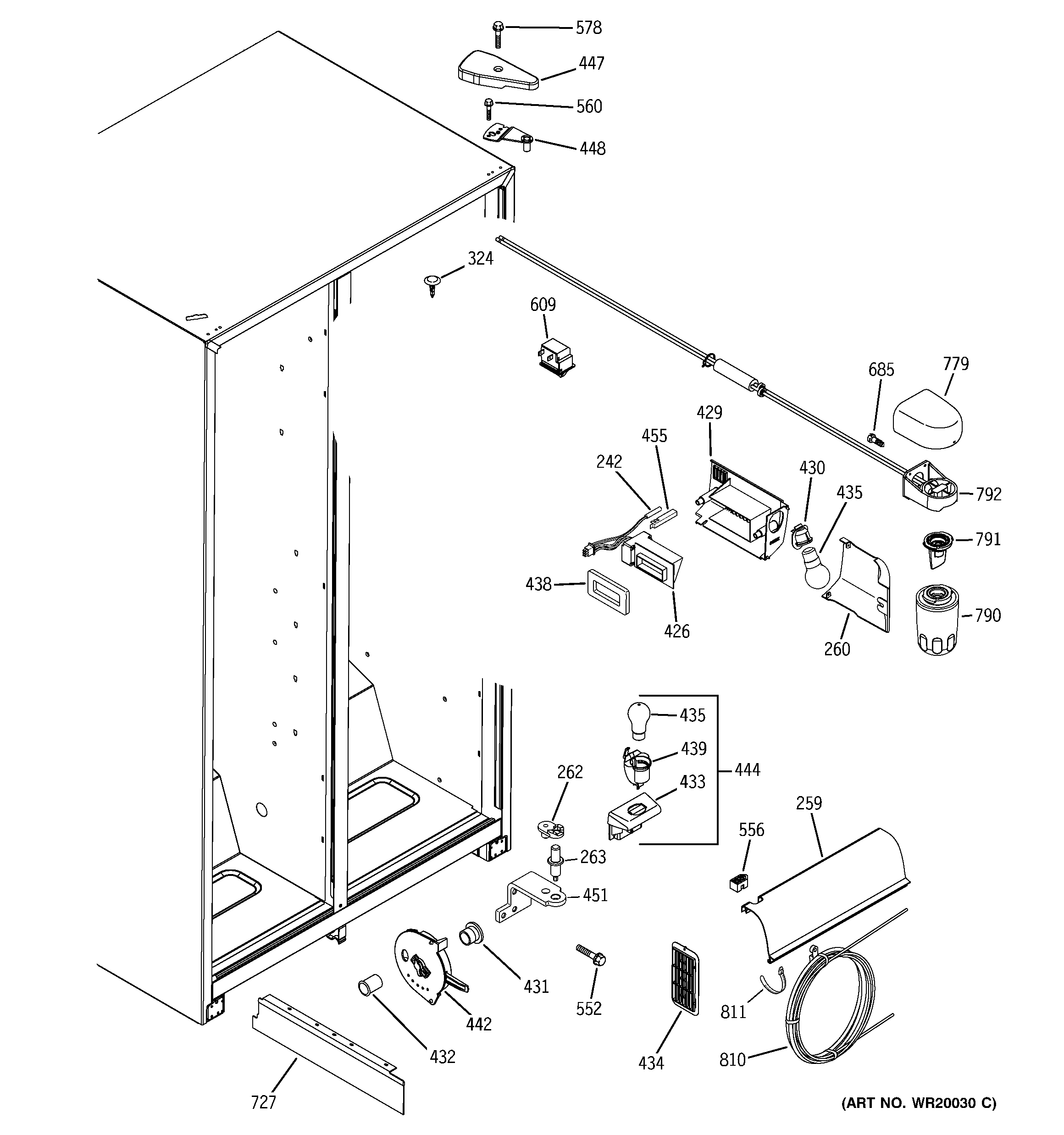
GSL22JFTABS FRESH FOOD SECTION