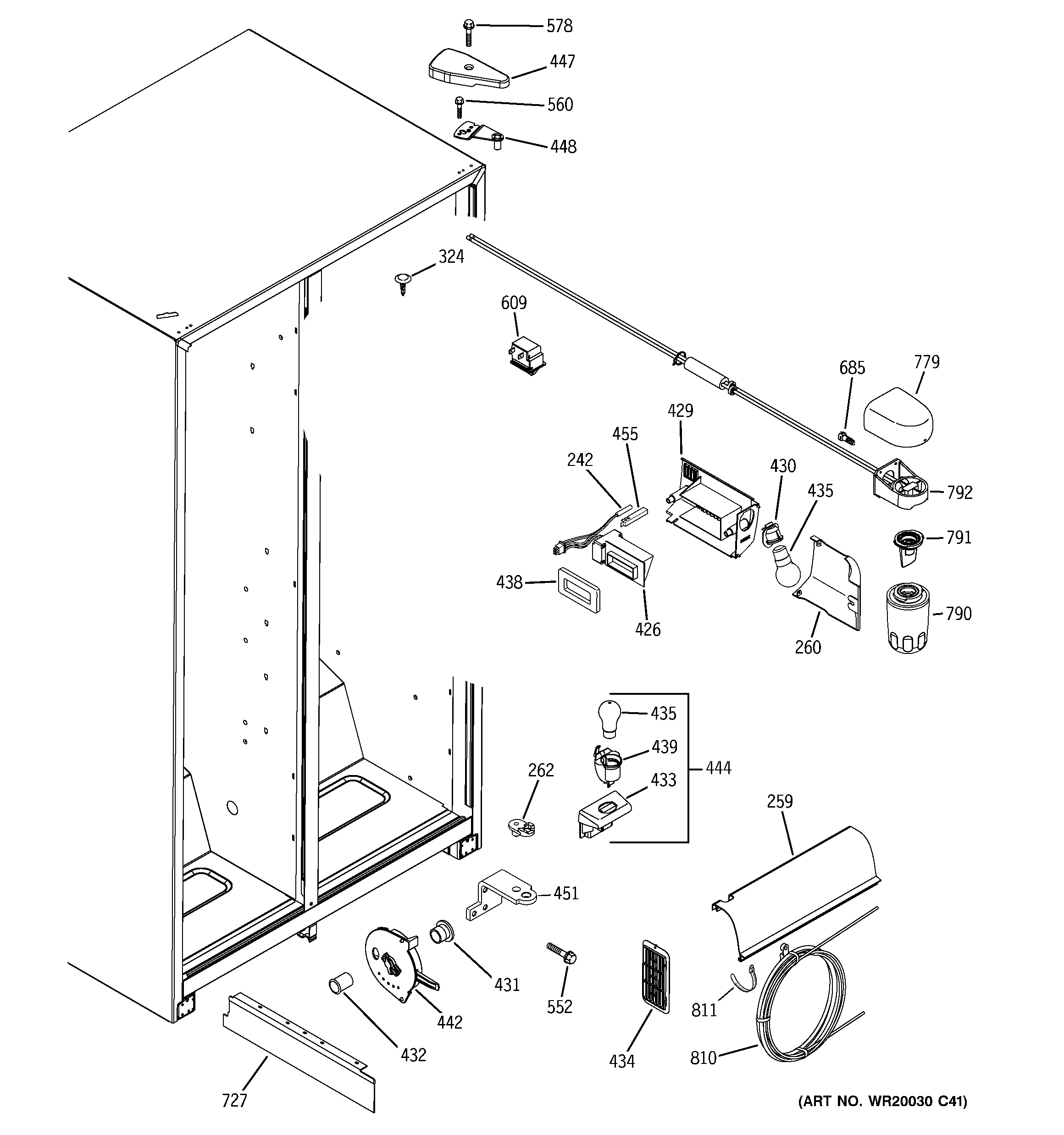
GSL22JFTBBS FRESH FOOD SECTIONadmin2025-04-26T08:41:08+00:00GSL22JFTBBS FRESH FOOD SECTION ProductsPositionProduct242WR55X10025 GE Refrigerator Temperature Sensor259WR17X10725 GE Refrigerator Light Shield260SHIELD LIGHT262WR02X11743 GE Refrigerator Hinge Cam Riser324GEN WR02X7051426WR60X10215 GE Refrigerator Damper and Thermistor Assembly429COVER DAMPER430WR02X10645 GE Refrigerator Lamp Socket431WR2X9299 GE Refrigerator Air Duct Cap Mullion432WR02X10561 GE Duct Mullion433HOUSING LAMP SOCKET INT434GEN WR17X10262435RANGE ONLY 40W 120V APPL BULB438WR14X10047 GE Refrigerator Gasket Damper439WR02X10591 GE Light Socket and Terminal442GEN WR17X10060444GEN WR23X10557447COVER HNG BK448GEN WR13X10285451GEN WR13X10405455COVER SENSOR FF552WR01X10600 GE Refrigerator Screw 12-24 Tapping Hex .811 S Z560SCR 12-24 CA HX 7/8 S578WR01X10379 GE Refrigerator Hinge Cover Screw609GEN WR23X10481685SCR 8-18 AB HXW 3/4 S727GEN WR17X11409779GEN WR02X10621790MWFP GE Replacement Water Filter Pureline for Refrigerator791WR17X22070 GE Water Filter Bypass Plug792WR02X45209 GE Manifold MWF810WATER STORAGE COIL811WR02X11607 GE Refrigerator Wire Tie811WR02X11027 GE Wire Tie