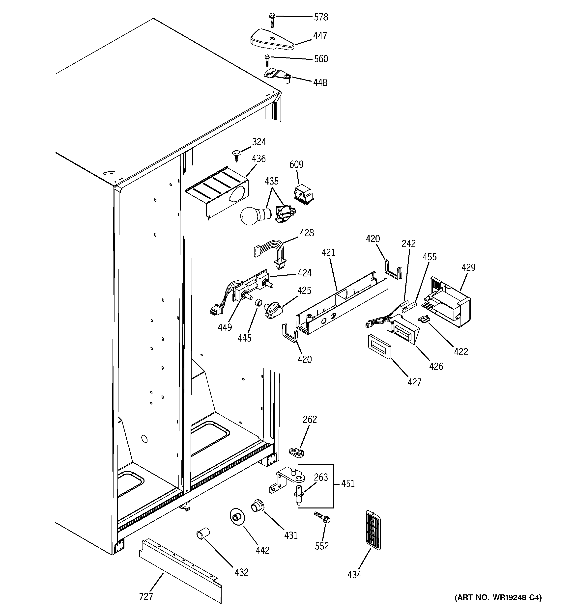
GSS20DBPAWW FRESH FOOD SECTIONadmin2025-04-26T08:43:50+00:00GSS20DBPAWW FRESH FOOD SECTION ProductsPositionProduct242WR55X10025 GE Refrigerator Temperature Sensor262GEN WR02X11286263GEN WR02X10592324GEN WR02X7051420GEN WR14X10044421GEN WR17X10776422GEN WR02X10546424WR55X10150 GE Refrigerator Board Assembly Encoder425GEN WR02X10570426WR09X10050 DAMPER & GAS427WR14X10047 GE Refrigerator Gasket Damper428GEN WR23X10245429GEN WR02X11250431WR2X9299 GE Refrigerator Air Duct Cap Mullion432WR02X10561 GE Duct Mullion434GEN WR17X10262435RANGE ONLY 40W 120V APPL BULB435WR02X10591 GE Light Socket and Terminal436GEN WR02X10578442GEN WR02X10763445WR02X12149 GE Refrigerator Ring447GEN WR02X11480448GEN WR13X10285449GEN WR01X10191451GEN WR13X10287455GEN WR02X10622552WR01X10600 GE Refrigerator Screw 12-24 Tapping Hex .811 S Z560GEN WR01X10195578WR01X10379 GE Refrigerator Hinge Cover Screw609WR23X37285 GE Light Switch727GEN WR17X11409