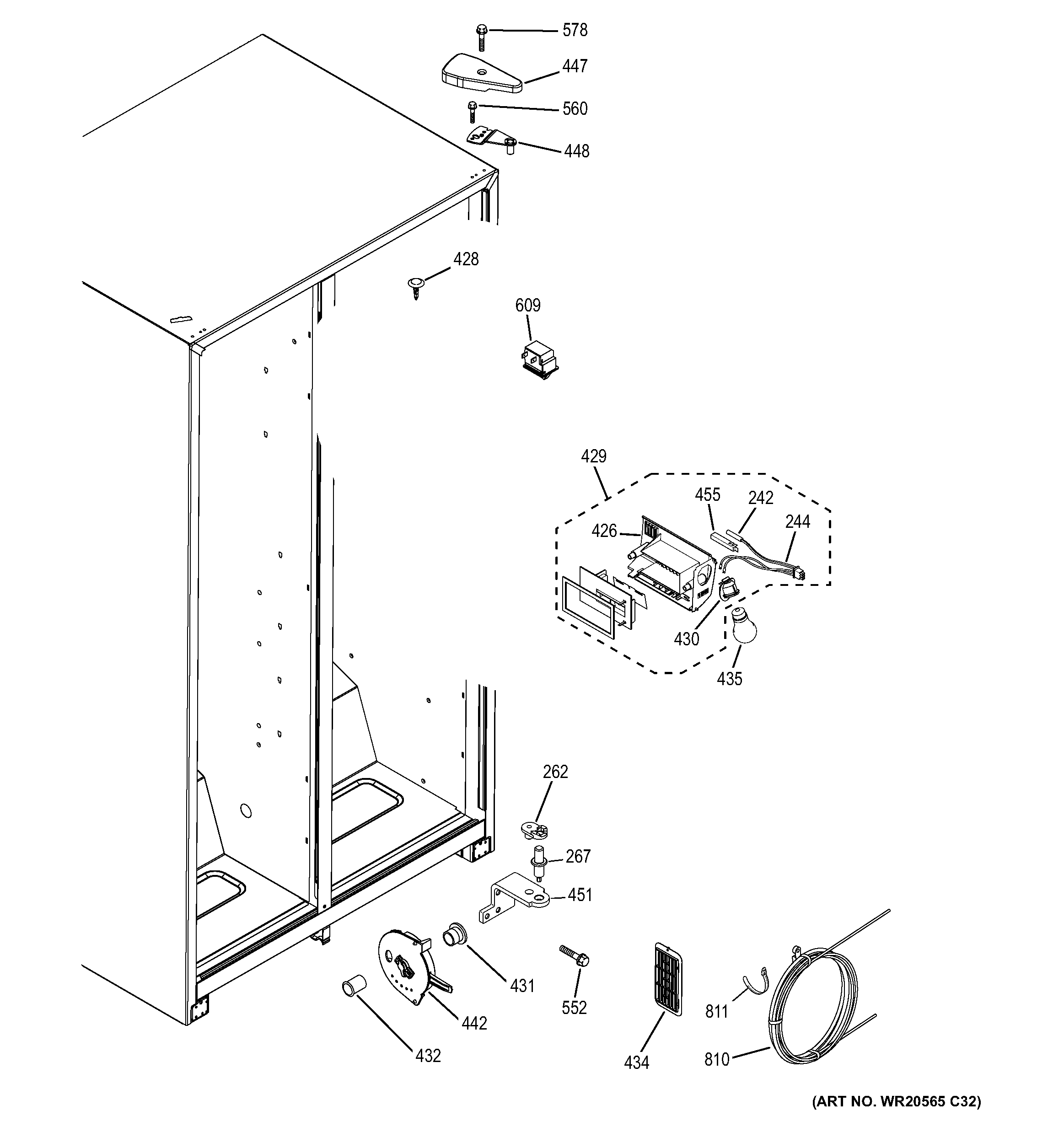
GSS20ESHB SS FRESH FOOD SECTION