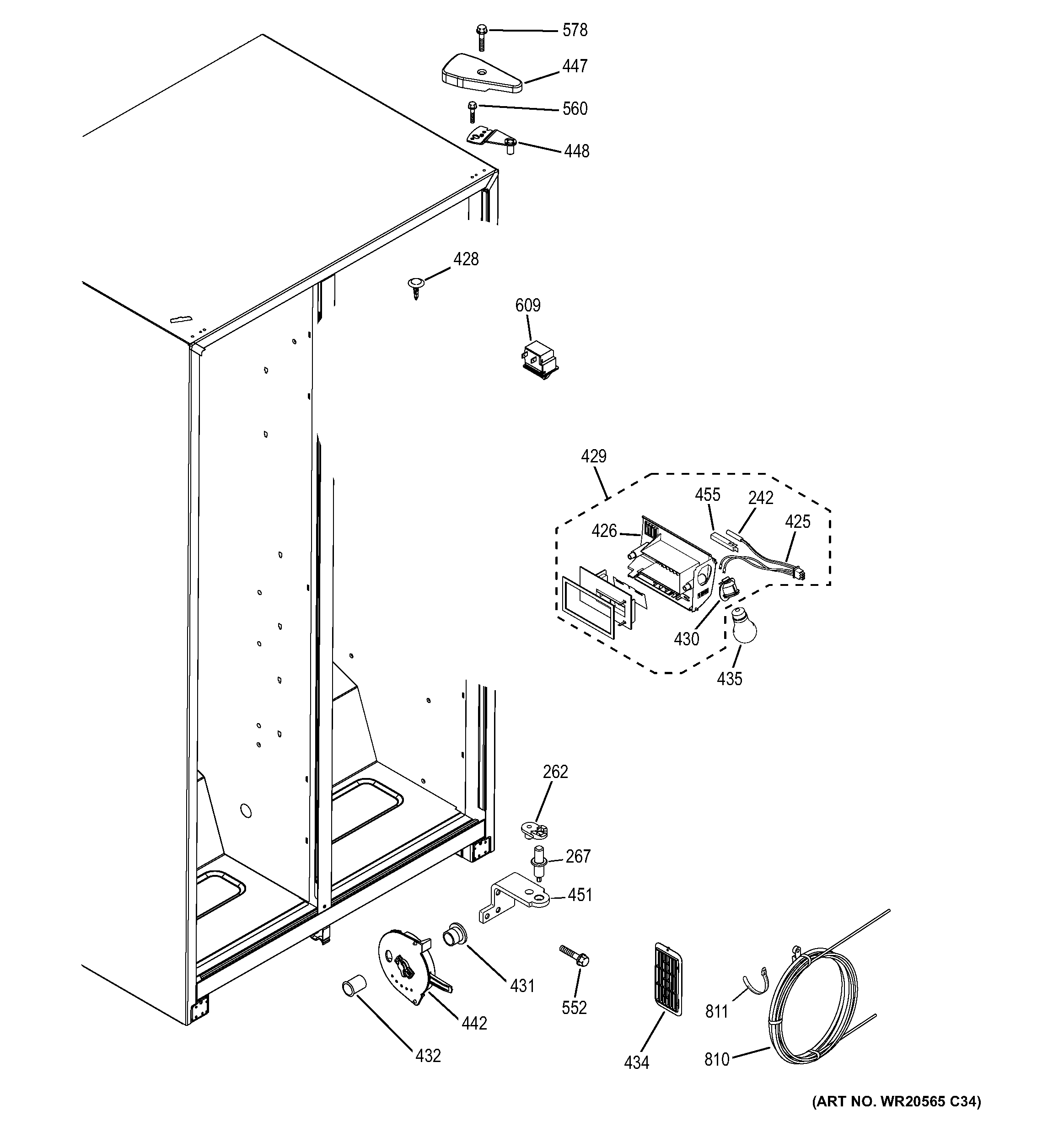
GSS20ESHD SS FRESH FOOD SECTIONadmin2025-04-26T08:43:32+00:00GSS20ESHD SS FRESH FOOD SECTION ProductsPositionProduct242WR55X10025 GE Refrigerator Temperature Sensor262WR02X11743 GE Refrigerator Hinge Cam Riser267PIN HINGE BTM ADJ425WR60X10215 GE Refrigerator Damper and Thermistor Assembly426COVER DAMPER428GEN WR02X7051429WR13X10988 GE Refrigerator Damper Cover Assembly430SOCKET LAMP431WR2X9299 GE Refrigerator Air Duct Cap Mullion432WR02X10561 GE Duct Mullion434GEN WR17X10262435RANGE ONLY 40W 120V APPL BULB442GEN WR02X10763447COVER HINGE448HINGE TOP & PIN ASM RH451HINGE BTM & PIN ASM455COVER SENSOR FF552WR01X10600 GE Refrigerator Screw 12-24 Tapping Hex .811 S Z560SCR 12-24 CA HX 7/8 S578WR01X10379 GE Refrigerator Hinge Cover Screw609SWITCH LIGHT810WATER STORAGE COIL811WR02X11607 GE Refrigerator Wire Tie