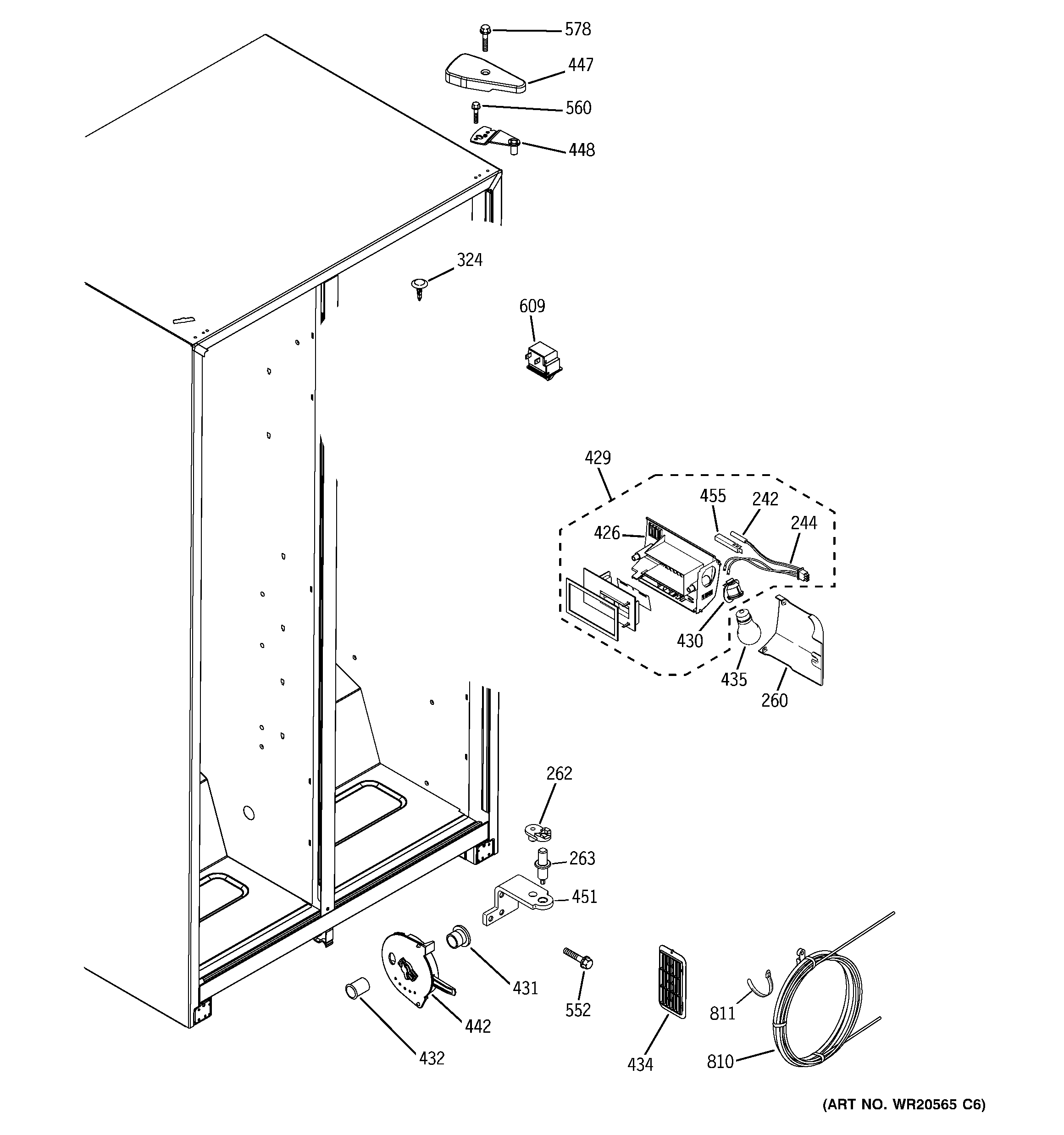
GSS20GEWJWW FRESH FOOD SECTIONadmin2025-04-26T08:43:41+00:00GSS20GEWJWW FRESH FOOD SECTION ProductsPositionProduct242WR55X10025 GE Refrigerator Temperature Sensor244GEN WR50X10081260SHIELD LIGHT262WR02X11743 GE Refrigerator Hinge Cam Riser263PIN HINGE BTM ADJ324GEN WR02X7051426COVER DAMPER429WR13X10988 GE Refrigerator Damper Cover Assembly430WR02X10645 GE Refrigerator Lamp Socket431WR2X9299 GE Refrigerator Air Duct Cap Mullion432WR02X10561 GE Duct Mullion434GEN WR17X10262435RANGE ONLY 40W 120V APPL BULB442GEN WR02X10763447COVER HNG BK447GEN WR02X11480447GEN WR02X11477448HINGE TOP & PIN ASM RH451GEN WR13X10724455COVER SENSOR FF552WR01X10600 GE Refrigerator Screw 12-24 Tapping Hex .811 S Z560SCR 12-24 CA HX 7/8 S578WR01X10379 GE Refrigerator Hinge Cover Screw609GEN WR23X10481810WATER STORAGE COIL811WR02X11607 GE Refrigerator Wire Tie