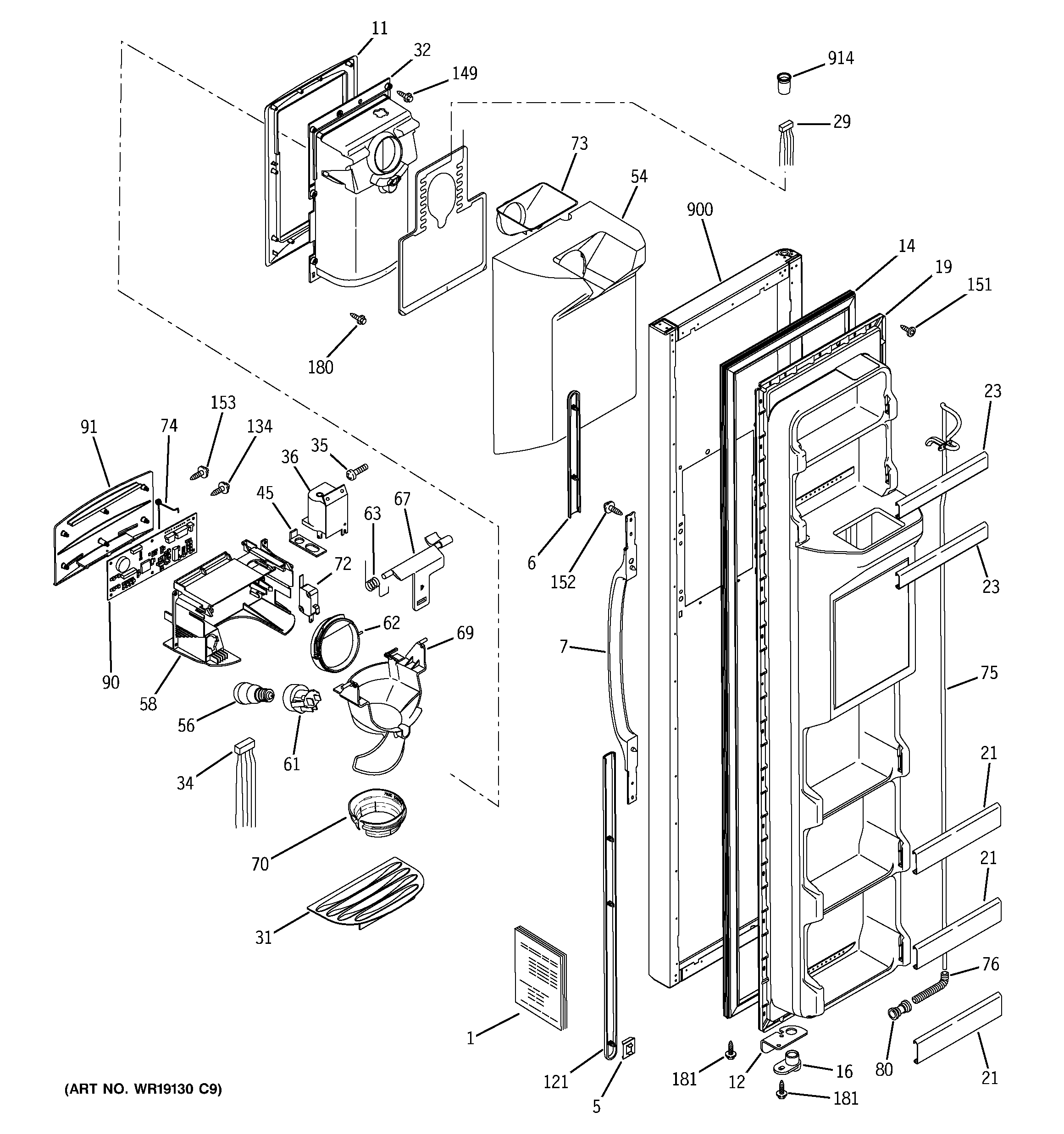
| 1 | GEN 31-51349-1 |
| 1 | GEN 49-60131 |
| 5 | GEN WR02X10431 |
| 6 | GEN WR12X10388 |
| 7 | WR12X10332 GE Refrigerator SXS Handle |
| 11 | GEN WR38X10204 |
| 12 | GEN WR02X10576 |
| 14 | GEN WR24X10058 |
| 16 | GEN WR02X11284 |
| 19 | GEN WR77X10037 |
| 21 | WR17X12069 GE Refrigerator Front Door Shelf |
| 23 | GEN WR17X10761 |
| 29 | GEN WR23X10273 |
| 31 | GEN WR17X10712 |
| 32 | GEN WR17X11069 |
| 34 | GEN WR23X10166 |
| 35 | WR01X10649 GE Refrigerator Screw 8-10 PL PNP 1/2 S |
| 36 | WR62X10055 GE Refrigerator Dispenser Door Solenoid Assembly |
| 45 | WR2X8818 GE Refrigerator Retainer |
| 54 | GEN WR17X10754 |
| 56 | WR01X37886 GE Refrigerator Dispenser Light |
| 58 | WR17X11170 GE Refrigerator Housing Shield Dispenser |
| 61 | WR2X9561 GE Refrigerator Lamp Socket |
| 62 | WR17X11653 GE Refrigerator Ice Door Flap Assembly |
| 63 | WR02X10585 SPRING RECES |
| 67 | WR17X10706 GE Refrigerator Door Crank Recess |
| 69 | WR17X11264 GE Ice Funnel Assembly White |
| 70 | GEN WR17X11265 |
| 72 | WR23X10783 GE Refrigerator Dispenser Micro Switch |
| 73 | GEN WR17X10767 |
| 74 | GEN WR02X10584 |
| 75 | GEN WR17X11118 |
| 76 | GEN WR02X8933 |
| 80 | WR02X11330 GE Refrigerator 5/16 Union Water Line Connector |
| 90 | GEN WR55X10196 |
| 91 | GEN WR55X10051 |
| 121 | GEN WR12X10106 |
| 134 | WR01X10019 GE Refrigerator Screw 6-10 PL FLP 1/2 S |
| 149 | WR01X10196 GE Refrigerator Screw 8-18 HID02 |
| 151 | WR01X10623 GE Refrigerator Screw 8-18 AB IHXW 9/16 S |
| 152 | GEN WR01X10038 |
| 153 | WR1X1505D GE Refrigerator Screw Package of 12 |
| 180 | WE02X10011 GE Screw |
| 181 | GEN WR01X10215 |
| 900 | GEN WR78X10358 |
| 914 | GEN WR01X10200 |